产品价格为不含税价格,具体的价格请咨询
项目描述
安全继电器,用于急停及安全门监控,符合EN ISO 13849的SIL 3或Cat. 4,PL e的要求,单通道或双通道运行,自动或手动监督激活,8个启动电流通路,额定输入电压230 V AC/DC
要求的数量
数据
订单号: 2963912
类型PSR-SCP- 24UC/ESAM4/8X1/1X2
EAN 4017918899707
包装单位 1 Pcs.
关税编号 85364900
Product key CNA114
产品原图
产品电路图1
1=逻辑
产品电路图2
a=复位
b=急停
急停回路监视,双通道信号输入,具有交叉接线检测功能和复位按钮监视,最高安全等级4。
产品电路图3
a=复位
b=急停
急停回路监视,双通道信号输入,手动复位(自动复位时:短接S33/S35):自动复位),最高安全等级2。
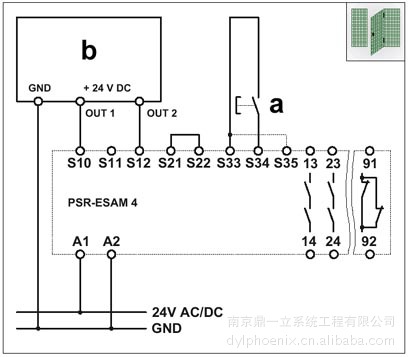
产品线路图4
a=复位
b=半导体输入
双通道半导体限位开关监视,手动复位(自动复位时:短接S33/S35),根据限位开关的不同,最高安全等级4。
产品线路图5
输入数据
额定输入电压UN 24 V AC/DC
以UN为参考的输入电压范围 0,85 ... 1,1
典型输入电流UN 210 mA AC
120 mA DC
输入/启动和回馈电路的电压大约24 V DC
典型响应时间 60 ms (手动启动)
250 ms (自动启动)
典型释放时间 20 ms
并行输入1/2 无限
恢复时间 1 s
允许的导线最大总电阻 大约11Ω(UN下的输入和启动电路)
输出数据
触点类型 8个常开安全触点输出,1个辅助常闭触点输出
触点材料 AgSnO2,+ 0.2 µm Au
最大切换电压 250 V AC/DC
最小切换电压 15 V AC/DC
限制连续电流 6 A
最大启动电流 6 A
最小冲击电流 25 mA
总电流值的平方 50 A2 (ITH2 = I12 + I22 + ... + I82)
最大额定功率值(电阻负载)144 W (24VDC,t=0ms)
288 W (48VDC,t=0ms)
110 W (110VDC,t=0ms)
88 W (220VDC,t=0ms)
1500 VA (250 V AC,t=0ms)
最大额定功率值(电感负载)42 W (24V DC,τ=40ms)
42 W (48V DC,τ=40ms)
42 W (110V DC,τ=40ms)
42 W (220V DC,τ=40ms)
最低通断容量 0,4 W
输出熔断器6 A快速熔断
C6(24VAC/DC)自动设备
一般参数
宽度 45 mm
高度 99 mm
深度 114,5 mm
环境温度(运行) -20°C ... 55°C
环境温度(存放/运输)-40°C ... 70°C
继电器型号有源机电驱动,防尘继电器。
机械寿命 约107开关次数
安装位置 任意
分类符合EN 13849-1 4
停止类别 0
名称 供电回路间的电气间隙和爬电距离
标准/规程 DIN EN 50178/VDE 0160
额定过电压/绝缘 4kV/基础安全隔离(输入回路和常开安全触点输出(63/64,73/74,83/84)之间以及63/64,73/74,83/84之间的6kV增强型安全隔离)。
额定绝缘电压 250 V
污染等级 2
电涌电压类别 III
接线数据
实心线最小横截面 0,2 mm²
实心线最大横截面 2,5 mm²
多芯线最小横截面 0,2 mm²
多芯线最大横截面 2,5 mm²
可连接导线最小横截面AWG/kcmil 24
导线横截面,AWG/kcmil(最大)12
剥线长度 7 mm
螺纹 M3
连接类型 螺钉连接