ASF 系列双层卸灰阀采用双层阀体组合结构,两层阀体之间在输送物料时交替开关,适合于限量给料的输灰设备。该设备具有密封性佳、输送量可调范围大等特点。
ASF系列双层卸灰阀根据驱动形式的不同分为:AQSF型气动双层卸灰阀、ADSF重锤式单电机双层卸灰阀。


1.AQSF 型气动双层卸灰阀
AQSF型气动双层卸灰阀采用了圆锥型阀芯,通过气动执行机构实现对阀的启闭控制,具有很好的密封性,并具有以下特征:
a、通过调节单向节流阀保证阀的开启时间大于3s;
b、上、下层阀物料排放时间间隔可调。
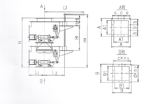
2.外形示意图及尺寸表


无锡市安能机械设备制造厂,座落在风景秀丽的太湖之滨-无锡市东北塘。紧靠锡沪路、东临新312国道。沪宁高速公路东出口1公里,西距无锡火车站4公里。环境优雅,交通方便。
我厂专业生产:螺旋输送机、埋刮板输送机、斗式提升机等各类输送机械及配套设备。并从事各类非标金属结构件业务设计、制作及安装。基产品广泛应用于钢铁、煤矿、水泥、食品、副食品、冷冻水产品的加工生产线、包装输送线,以用电子、机械装配等其它工业化生产输送线。
“服务无止境,真诚到永远”,我们的宗旨是用户的满意是我们的追求。我们靠科技赢得市场,靠质量赢得信誉,靠诚信铸就辉煌。