YOTO智能数字测速表FT8-R41 FT7-R41线速度表
FT7
FT8
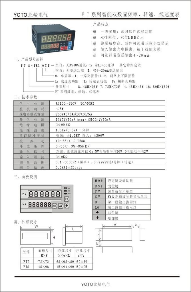
一、主要特点
1、一表多用,通过软件选择功能
2、双排六位LED显示
3、测量精度高,软件右选带三位小数显示
4、输入输出光电隔离、抗干扰能力强
5、右选择带变送输出4—20mA和通信功能
6、计数速度30CPS/5000CPS
选型:FT□-□□□----报警方式 0:无报警 1:一组报警 2:二组报警
显示位数 4:4位显示 5:5位显示 6:6位显示
A:单显示 R:带继电器输出 D:带变送输出4~20mA
外形尺寸:4:48W×48H 7:72W×72H 8:96W×48H 16:160W×80H
双数显智能设定频率、转速、线速度表
型号种类及品牌:YOTO
型号 | 电源电压 | 输出设定 |
FT□-A□0 | 90~250VAC | 单显示 |
FT□-R□1 | 90~250VAC | 一组报警 |
FT□-R□2 | 90~250VAC | 二组报警 |


联系人:蓝小姐
电话:0760-22559819 18022066923
QQ:757847142
地址:广东省中山市小榄镇沙口泗涌工业村