卧式煤气排水器 启东卧式煤气排水器 江苏卧式煤气排水器
卧式煤气排水器 |
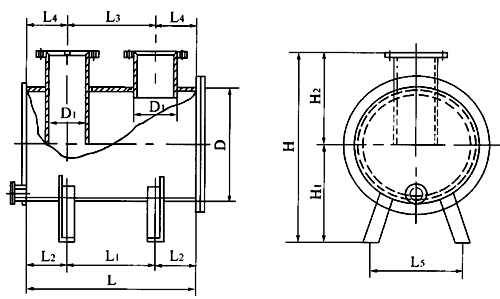
一、用 途 JD-W系列水封器设在煤气清洗设施的快速水封切断阀下方 二、结构形式 1、本设备由一根水平管和两根垂直短管组成一个“U”形水封,水平管两端用钢板堵死,在水平管底部有个支座,可与钢支架安装。 2、本设备利用水封高度克服煤气压力,从而封住煤气,起割断煤气排出冷凝水作用。
三、产品技术参数
设计压力PN0.1MPa法兰标准HG20593-97
|
型 号 | L | L1 | L2 | L3 | L4 | L5 | H | H1 | H2 | D | D1 | 备注 | JD-W-30-60 | 600 | 400 | 100 | 350 | 125 | 300 | 630 | 330 | 300 | 315 | 108 | 双 管 式 | JD-W-35-65 | 650 | 400 | 125 | 300 | 175 | 320 | 630 | 330 | 300 | 362 | 133 | JD-W-40-80 | 800 | 530 | 135 | 400 | 200 | 300 | 700 | 350 | 350 | 414 | 159 | JD-W-40-80II | 830 | 530 | 150 | 300 | 110 | 300 | 700 | 350 | 350 | 414 | 133 | JD-W-60-90 | 900 | 500 | 200 | 450 | 225 | 700 | 950 | 500 | 450 | 618 | 219 | JD-W-60-100 | 1000 | 600 | 200 | 500 | 250 | 700 | 1000 | 500 | 500 | 618 | 325 | JD-W-60-110 | 1150 | 730 | 210 | 550 | 300 | 700 | 1000 | 500 | 500 | 618 | 325 | JD-W-70-105 | 1000 | 600 | 200 | 500 | 250 | 500 | 1050 | 520 | 530 | 720 | 273 |
|
| |
| 四、结构示意图 |

|