YOTO北崎DP3系列数字电流电压表
一、产品特点:
1、采样速度2.5次/秒
2、交流信号输入彩电磁隔离
3、可选变送输出光电隔离4—20mADC
4、电源、输入、输出之间三隔离
5、最大显示范围±1999
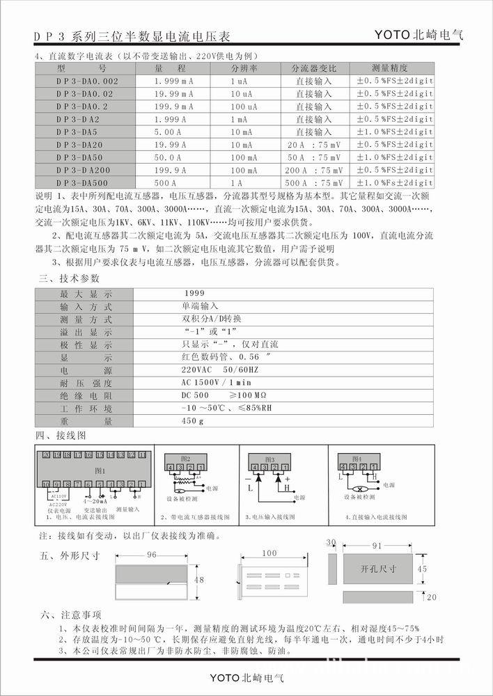
二、产品详细资料和参数


三、公司简介:
北崎电气有限公司,1992年成立于台湾,在国内建立“北崎电气仪表生产厂”和“安达拉塑电厂”两家生产厂,是一家集研制、生产、销售及售后服务于一体的公司。具有自己的研发团队,可根据客户的具体需求定制产品。公司目前拥有两个自主经营品牌“YOTO”和“Buiace”。
经过十多年发展和积累,能大批量生产加工:温控器、传感器、计时计数计米器、转速频率线速度表、电压电流表、功率电参数仪、电量传感变送器、隔离器、配电器、调节仪、接近开关、光电开关、压力/差压变送器及称重液位、流量计等几十个系列,近万种规格型号测控产品,并承接成套工程。产品远销欧美、中东、东南亚等几十个国家和地区,在国内外有良好的声誉。