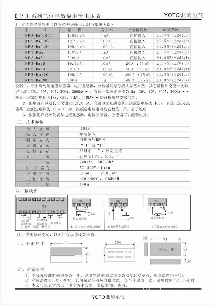
全新YOTO北崎DP3系列数字电流电压表
查看供应商
查看完整图文
立即询价
其他相关图集
供应 Sylvac 数显显示器D50S 瑞士丹青 德瑞华测量
销售供应BECKHOFF显示器
原装正品SIEBERT字母字显示器
供应美国原厂原装 Analynk Wireless 数显仪 594000
美国原装进口SEL继电器上海辰丁主推品牌 573
数显千分尺头MHD-MB 进口数显测量设备 日本mitutoyo三丰
热气熔胶灭火装置
智能转速监测仪
供应国科GK2200智能液位控制仪 智能数显仪表 适用范围广
多回路测控仪
仪器仪表
>
工业自动化仪表及系统
>
显示仪表
>
获取验证码
允许同品行业优质供应商联系我
您对此产品的咨询信息已成功发送给相应的供应商,请注意接听供应商电话。
对不起,您对此产品的咨询信息发送失败,请稍后重新发起咨询。
关闭
登录
|
注册
首页
|
我的马可
触屏版
电脑端
马可波罗版权所有1999-2020