水泥仓一般用在混凝土搅拌站的散装水泥存储中,散装水泥仓是一种封闭式的储存散装物料的罐体,适合储存粮食、水泥、粉煤灰等各种散装物料,罐体上装有料位系统,能够显示物料的位置和多少,破洞装置可以解除物料沉积太久而造成的结实。水泥仓和螺旋输送泵配合使用能够把物料输送到各个位置,该罐体安装方便,安全可靠是各种搅拌站的理想散装储存罐。
1.水泥仓(罐)适用于工程建筑,商品混凝土搅拌站,道路桥梁水利工程,城市建设等工程中散装水泥的储备料仓。具有防水,防潮,防止水泥流失,降低城市空气粉尘污染,占地面积小,使用寿命长,造价低等特点,属国家当前重点推广使用的建筑环保机械配套产品。
2.水泥仓(罐)通常作为混凝土搅拌站(楼)的配套产品使用。
3.水泥仓(罐)适用于装散装水泥及干造的粉煤灰,具有防雨,防潮,使用方便等特点:一般有50t,100t,200t,300t,400t,500t等规格。也可根据用户要求的尺寸制作。
4.水泥仓(罐)一般为圆筒支架结构,其上部有除尘设备,防止粉尘泄漏,下部装有破拱装置,防止粉尘结块,使粉料卸出顺畅。
5.水泥仓(罐)一般采用散装水泥输送车将粉料吹气送入仓内。
技 术 参 数 | 100T水泥仓 | 200T水泥仓 | 300T水泥仓 | 容量 |
最大垂直压力 | 450KN | 900KN | 1550KN | 100T/83立方 |
最大垂直拉力 | 120KN | 220KN | 350KN | 200T/166立方 |
最大水平剪力 | 60KN | 80KN | 75KN | 300T/250立方 |
产 品 规 格 | 100T水泥仓 | 200T水泥仓 | 300T水泥仓 |
|
直 径 | 3M | 3.5M | 4.88M |
|
仓筒高度 | 10.5M | 12M | 14M |
|
腿 高 | 11M | 11M | 11M |
|
筒 锥 高 度 | 2.2M | 2.2M | 2.2M |


【性能简介】
SNC100水泥仓由仓体、粉料除尘系统、气路破拱装置、上料管路系统、电气控制系统、底架、护栏等组成。
该产品可作为搅拌站、搅拌楼及其它各类搅拌设备的水泥及其它各类粉料的存储配套设备。
该产品特别适合于中等规模以上的建筑施工、水电、公路、港口、机场、桥梁等工程建设及大中型砼预制品厂和商品砼生产厂。
【主要技术参数】
项目 | 参数 |
型号 | SNC100 |
仓体直径 | φ3000mm |
卸料高度 | 1960/4200/5300mm |
除尘电机 | 0.25kW |
外形尺寸 | 2870x3650x(11020/13260/14375)mm |
质量 | 4200/4800/5150kg |
【结构介绍】
SNC100水泥仓体为圆柱形钢结构,直径φ3m,是水泥仓存储粉料的主体部分,也是除尘系统、破拱装置、料位计、爬梯等的载体。
水泥仓顶部装有电动除尘装置,可吸附仓体内悬浮颗粒,减轻对周围环境的污染。当除尘器上积尘较多时,可通过电气控制系统启动除尘器上的震动电机,将积尘抖落。
水泥仓下锥部装有气吹破拱装置,利用位于气控箱内的小型电磁换向阀控制压缩空气的释放进行水泥及各类粉料的破拱,避免粉料堆积,造成堵塞。气源可由其配套搅拌设备的气路系统提供,气吹破拱装置的启动由电气控制系统根据水泥或其它粉料的供给时间进行控制,即当供料时间超过设定时间时自动气吹破拱,也可手动控制。
筒仓出料口处与外接设备(粉料输送设备)进料口靠法兰连接,出料口处装有出料控制阀门,可控制水泥或其它粉料的落料量。
水泥仓上、下部各装有一只射频电容式物位限位开关,该开关可感知仓体内物料的储存高度,通过电信号及时准确地反应水泥仓中水泥或其它粉料的储存情况。
水泥(粉煤灰)仓采用上料管向仓体内输送粉料,输送高度参见“主要技术参数”部分,可由散装水泥车直接将散装水泥或粉煤灰送至仓中。
水泥仓上设有水泥仓接地保护装置。
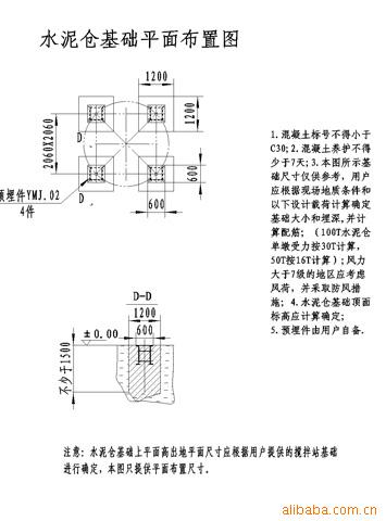
【基础图】

| 散装水泥仓是一种封闭式的储存散装物料的罐体,适合储存粮食、水泥、粉煤灰等各种散装物料,罐体上装有料位系统,能够显示物料的位置和多少,破洞装置可以解除物料沉积太久而造成的结实。水泥仓和螺旋输送泵配合使用能够把物料输送到各个位置,该罐体安装方便,安全可靠是各种搅拌站的理想散装储存罐。 主要技术参数:
| |||||||||||||||||||||||||||||||||||||||||||||||||||||||
散装水泥仓是一种封闭式的储存散装物料的罐体,适合储存粮食、水泥、粉煤灰等各种散装物料,罐体上装有料位系统,能够显示物料的位置和多少,破洞装置可以解除物料沉积太久而造成的结实。水泥仓和螺旋输送泵配合使用能够把物料输送到各个位置,该罐体安装方便,安全可靠是各种搅拌站的理想散装储存罐。
若需要,可电话联系。可传真合同执行,代办托运。诚信服务。
销售热线:13838086224