【供应】宏源HZUL型立式振动电机-三相异步电机-全铜包线立式振动电机
【供应】YZUL系列立式振动电机——我厂(新乡市宏源振动设备有限公司)专业生产YZUL、YZU(YZO YZS)、JZO(YZD)、CZ等系列振动器,拥有优良的生产加工体系,完备的制作工艺,具有高质量、高保障、高服务为一体的经营理念,为您打造适合您需求的工程设备。
YZUL系列立式振动电机简介
YZUL型振动电机又称为立式振动电机,是我公司新型立式振动电机产品,采用先进的单法兰结构,设计精巧,运行安全可靠,单法兰结构使得立式振动电机安装维护方便,同时可大大减轻主机重量,减小主机外形尺寸、简化主机结构、降低主机成本,使得主机对物料的处理量更大;
振动电机激振力能在一定范围内非常容易地进行有级调节,满足各种作业需求;
使用新型密封技术及进口密封件,大大提高了立式振动电机的防尘防潮能力,产品能在各种高尘高潮湿场所安全稳定运行;
各项先进的设计及精密的制造过程,确保振动电机产品具有特长使用寿命。

YZUL系列立式振动电机运行原理
YZUL系列立式振动电机是动力源和振动源结合为一体的激振源,振动电机是在转子轴两端各安装一组可调偏心块,利用轴及偏心块高速旋转产生的离心力得到激振力。YZUL系列振动电机由电机本身运行产生易于调整的水平、垂直、倾斜等方向多元激振力,形成物料的快速平面分散、中心聚集、平面旋转、三维旋转等多种运动方式,用于控制排料速度、处理精度等机械性能指标,以其独特的结构特点适应于不同的机械对振动源的要求。
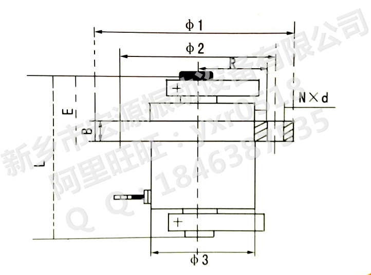
YZUL系列立式振动电机结构
立式振动电机由特制电机外加偏心重块组成,偏心块有半圆形、长方形等,可根据振动设备的作业要求进行不同的配置,产生用户需要的振动效果,立式振动电机通电旋转,带动电机轴两端的偏心重块,产生惯性激振力,通过电机法兰传递给振动电机,AVL系列立式振动电机分为2、4、6、8、级四种规格,振次分别为2870、1460、980、740RPM。
*激振力*
Fm=mr ω 2
m-偏心块质量
r-偏心块质心回转轴心的距离,即偏心距
ω -电机旋转角度频率
ω= 2π n/60
n—振动电机振次

YZUL系列立式振动电机技术参数及安装尺寸参见表


YZUL系列立式振动电机特点
1. 噪音低、能耗低、效率高。
2. 体积小、重量轻、启动迅速。
3. 安装便捷、维护简单、寿命长。
4. 激振力易于无级调整且调节范围广、振动无机械传导。
YZUL系列立式振动电机适用范围
立式振动电机产品广泛配套应用于振动破碎机、振动筛分机、振动打包机、振动落砂机、振动造型机、振动打桩机、振动提升机、振动充填机、料仓的振动破拱防闭塞装置等等。特别是大量配套于旋振筛(圆形震动筛)产品,用以提高筛分效率和筛分精度,高效完成清理异型零部件表面质量,提高破碎或混料效果。
筛分设备:直线振动筛、矿用筛、洗煤筛、磨料筛、化工筛.
输送设备:振动输送机、振动干燥输送机、振动输送机、振动垂直提升机。
给料设备:振动给料机、振动给料斗仓壁振动器、振动矿机、振动充填机。
其他设备:振动硫化床、振动平台、振动脱介机。
广泛的应用在水电建设、火力发电、建筑、建材、化工、采矿、煤炭、冶金、轻工等工业部门。
*使用条件*
环境温度:不超过40℃ 海拔高度:不大于1000m
防护等级:IP55 工作电压:380V
频 率:50HZ 接 法:Y或△
绝缘等级:B或F 工作方式:s1
*注:YZUL振动电机除了可以应用与一般振动机械外,还可以组合多种振动形式。如:平旋型,涡旋型,摇动振动型,组合直线型,组合长椭圆型,复合双频型,复合双幅型等。由这些振动形式可以产生出一些过去所没有新型振动机械。
订购及售后
购买须知:
1、如果你对我公司的产品感兴趣,有购买意向,我们可以为你提供详细资料,可以来电咨询,以便你对我们产品做详细的了解,也可以满足客户的要求到使用现场去参观。
2、当您需要特殊产品时,我们可以根据你的要求为你设计适用于你生产的产品,根据客户需求,我们的专业技术人员将为您设计出符合您要求的选择配置和产品。
订购及交易方式:
1、用户可以选择在阿里巴巴上直接订购,首先要先联系客服把你需要的产品商议好后,在客服发的产品链接网址里直接订购就可以(和淘宝网购的性质是一样的)。
2、也可以选择签订合同的方式,具体是法律承认的传真合同、扫描件邮箱合同。具体事宜请联系客服。
关于客服:
如果在我们的非工作时段,您来到我们的旺铺,恰巧这里有适合您的产品:
1. 请您在论坛或者对话框中给我们留言。看到留言,我们会尽早与您取得联系。
2. 来电咨询。为了能使我们的合作能够更加轻松顺利明晰,来电请报知您所需产品的技术参数和规格。
24小时咨询服务热线:13569833759 樊经理,电话:0373-2610868
关于售后:
为了提高服务,使服务及时到位,我们特备了一支专业化的服务队伍,做到专业咨询、专业设计、指导安装、专业维护保养、专业维修,将我们的服务提高到一个新的高度。
如果电话中不能帮您解决问题,省内24小时内(省外三天之内)帮助用户解决问题!
服务承诺:
售前:根据客户需要,以专业资讯指导购买产品;
售中:服务热情周到,帮助解答疑难问题;
售后:指导安装、调试,确保设备正常运转(所有机械产品(包含电机)均质保一年,配件、易损件均不在质保之列)。
配件售后说明:
所有购买我公司货品的用户,在收到货后请认真检查商品是否完好无损,若有质量问题,请即刻与客服联系,我公司支持淘宝最高服务标准—7天无理由退换货(按照淘宝规定:物品必须保持原样,没有拆封,并且不影响2次销售的情况下)邮费由买方承担。
感谢您使用我公司的产品。您在使用过程中,遇到什么问题,有什么建议;请告诉我们,我公司随时为您提供服务,并解答问题。
关于发货:
我司报价均不含运费、不含增值税。运费由买家承担,拍下付款后买家可以自行安排自己熟悉的物流上门提货,也可由卖家安排物流,运费提付。(货送到后运费直接付给物流)。

另我厂还生产各系列振动电机(YZUL、YZU(YZO YZS)、JZO(YZD)、CZ等),粮食加工设备(粮食过筛设备、扒谷机、搅拌机等),振动筛分设备(直线振动筛、旋振筛、高频筛、矿用筛等),输送机(皮带机、螺旋机、高温振动水平输送机),提升机(NE板链式、TH环链式、TD斗式等),给料机(GZG电磁振动给料机、DZ电机振动给料机、皮带给料机),各种配件(、筛网、筛框、硅橡胶球、弹簧等)欢迎来电咨询!
24小时客户服务热线:13569833759 QQ:1846387535
邮箱:hongyuanzdsb@163.com 联系人:樊经理
我们本着“以善带人、以诚待人、以德待人”为理念,以“质量第一、用户至上、服务完善、价格合理”为宗旨,与您携手共创美好未来,愿我们合作愉快!
新乡市宏源振动设备有限公司从事振动筛分机械、输送机械、给料机械、振动电机、振动筛等振动设备的研制开发和生产,已有十多年的历史,设备精良。营销服务网络分布在整个亚洲地区,为公司产品售前的技术咨询与技术支持、售中的商务洽谈图纸设计、售后的安装指导使用技术培训,全程跟踪服务!
24小时客服热线:13569833759 樊经理 QQ:1846387535 阿里旺旺:yxr0518
卧式振动电机(点击图片可看详细信息):

防爆电机(点击图片查看详细信息):

24小时客服热线:13569833759 樊经理 QQ:1846387535 阿里旺旺:yxr0518