
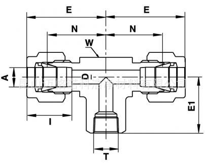
Male Branch Tee Tube NPT Thread (Inch)
Part Description | A | T | D | W | N | E | E1 | I |
| in | mm | in | in | mm | in | mm | in | mm | in | mm | in | mm | in | mm |
| 772L SS 1/8 X 1/8 | 1/8 | 3.17 | 1/8 | 0.09 | 2.28 | 7/16 | 11.11 | 0.67 | 17.02 | 0.93 | 23.62 | 0.70 | 17.78 | 0.5 | 12.7 |
| 772L SS 1/8 X 1/4 | 1/8 | 3.17 | 1/4 | 0.09 | 2.28 | 5/8 | 15.87 | 0.71 | 18.03 | 0.97 | 24.64 | 0.92 | 23.37 | 0.5 | 12.7 |
| 772L SS 3/16X 1/8 | 3/16 | 4.76 | 1/8 | 0.12 | 3.04 | 7/16 | 11.1 | 0.70 | 17.78 | 0.96 | 24.38 | 0.70 | 17.78 | 0.54 | 13.7 |
| 772L SS 1/4 X 1/8 | 1/4 | 6.35 | 1/8 | 0.19 | 4.82 | 1/2 | 12.70 | 0.77 | 19.56 | 1.06 | 26.9 | 0.74 | 18.8 | 0.60 | 15.2 |
| 772L SS 1/4 X 1/4 | 1/4 | 6.35 | 1/4 | 0.19 | 4.82 | 5/8 | 15.87 | 0.77 | 19.56 | 1.06 | 26.9 | 0.92 | 23.87 | 0.60 | 15.2 |
| 772L SS 5/16X 1/8 | 5/16 | 7.93 | 1/8 | 0.19 | 4.82 | 5/8 | 15.87 | 0.88 | 22.35 | 1.17 | 29.71 | 0.82 | 20.83 | 0.64 | 16.2 |
| 772L SS 3/8 X 1/4 | 3/8 | 9.52 | 1/4 | 0.28 | 7.11 | 5/8 | 15.87 | 0.91 | 23.11 | 1.20 | 30.48 | 1.00 | 25.40 | 0.66 | 16.76 |
| 772L SS 3/8 X 3/8 | 3/8 | 9.52 | 3/8 | 0.28 | 7.11 | 13/16 | 20.63 | 1.02 | 25.91 | 1.31 | 33.27 | 1.11 | 28.19 | 0.66 | 16.76 |
| 772L SS 1/2 X 3/8 | 1/2 | 12.70 | 3/8 | 0.38 | 9.65 | 13/16 | 20.63 | 1.02 | 25.91 | 1.42 | 36.07 | 1.11 | 28.19 | 0.90 | 22.9 |
| 772L SS 1/2 X 1/2 | 1/2 | 12.70 | 1/2 | 0.41 | 10.41 | 15/16 | 23.8 | 1.02 | 25.96 | 1.42 | 36.07 | 1.30 | 33.02 | 0.90 | 22.9 |
| 772L SS 5/8 X 1/2 | 5/8 | 15.87 | 1/2 | 0.47 | 11.94 | 15/16 | 24.81 | 1.13 | 28.7 | 1.53 | 38.86 | 1.41 | 35.8 | 0.96 | 24.4 |
| 772L SS 3/4 X 3/4 | 3/4 | 19.05 | 3/4 | 0.62 | 15.75 | 1-1/8 | 28.6 | 1.17 | 29.72 | 1.57 | 39.88 | 1.45 | 36.83 | 0.96 | 24.4 |
Male Branch Tee Tube NPT Thread (Metric)
Part Description | A | T | D | W | N | E | E1 | I |
| mm | in | mm | in | mm | mm | mm | mm | mm |
| 772L SS 6 MMX 1/4 | 6 | 1/4 | 4.8 | | | 19.6 | 27.0 | 23.4 | 15.3 |
| 772L SS 8 MMX 1/8 | 8 | 1/8 | 4.8 | 5/8 | 15.9 | 22.4 | 29.9 | 20.8 | 16.2 |
| 772L SS 10MMX 1/4 | 10 | 1/4 | 7.1 | 11/16 | 17.5 | 25.9 | 33.5 | 28.2 | 17.2 |
| 772L SS 12MMX 1/2 | 12.0 | 1/2 | 9.5 | 15/16 | 24.0 | 25.9 | 36.0 | 33.0 | 22.8 |
| 772L SS 16MMX 1/2 | 16 | 1/2 | 11.9 | 15/16 | 24.0 | 28.7 | 38.8 | 35.8 | 24.4 |