特点:
1.滚柱导轨块是一种精密的直线滚动导轨,具有较高的承载能力和较高的刚性,对反复动作、起动、停止往复运动频率较高情况下可减少整机重量和传动机构及动力费用。 2.滚柱导轨块可获得较高的灵敏度和高性能的平面直线运动。在重载或变载的情况下,弹性变形较小且能获得平稳的直线运动,没有爬行。 3.滚柱导轨块由于其滚动体—滚柱在滚动时导向好,能自动定心,故可提高机械的定位精度。 4.滚柱导轨块中的滚柱在基体中循环运动,故采用滚动导轨块,不受机床床身长度的限制,可根据承载大小及选用规格确定导轨块数量。 5.滚柱导轨块的应用面较广,小规格的可用在模具、仪器等的直线运动部件上,大规格的则可用于重型机床、精密仪器的平面直线运动,尤其适用于NC、CNC数控机床。 基本结构: 滚柱导轨块主要由本体、端盖、保持架及滚动体等组成。其中滚动体采用 的为滚柱。滚柱在本体中不断运动并承受一定的载荷。滚柱具有中心导向,运动时可自动定心,以免侧移,有利于在载荷作用下运动灵活,且寿命长。 精度: 滚柱导轨块的精度主要指导轨块的高度偏差。高度偏差范围一般为0~10μm,产品精度等级按下表区分: 高度尺寸的精度规格 单位:µm 精度等级 | 高度尺寸H的允许误差 | 同组高度尺寸H的变动量 | 2 | 0~10 | 2 | 3 | 3 | 4 | 4 | 5 | 5 |
同组高度尺寸H的变动量是指:同一平面上使用的多个滚柱导轨块的高度尺寸H的最大尺寸与最小尺寸偏差。 订货时,请说明在同一平面内使用的滚柱导轨块数量。 额定载荷: 滚柱导轨块的额定载荷为向下的载荷。简述如下,详细定义及计算可参见滚动导轨副额定寿命计算详述。 1.基本额定动载荷C 基本额定动载荷即一组同样的滚柱导轨块分别运行,且90%可以运行100×103而不会因滚动接触疲劳损坏材料的情况下的,在方向和数量上的载荷常量。 2.基本额定静载荷C0 基本额定静载荷定义为静止载荷,它给出了在滚动体与导轨之间的接触区中心处指定的接触应力常量而获得的最大载荷。 3.编号规则及尺寸系列: 
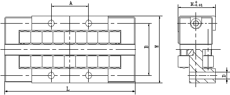
导轨块尺寸系列: 单位:MM 型号 | 长度L | 宽度W | 高度H | 安装孔直径dxDxh | 安装孔中心距A B | 基本额定动静载C(KN) C。(KN) | GZD15X53 | 52.8 | 26.5 | 15 | Ø3.4 | 19 19.3 | 23 | 29 | GZD17X60 | 60 | 25 | 17 | Ø3.3 M4 | 20 19.5 | 26.6 | 38.6 | GZD20X70 | 70 | 30 | 20 | Ø6ר3.6×4 | 26 23 | 38.3 | 53.4 | GZD25X100 | 100 | 40 | 25 | Ø5 M6 | 44 30 | 86 | 112 | GZD25X125 | 125 | 40 | 25 | Ø5 M6 | 68 30 | 90 | 120 | GZD30X92 | 92 | 41.5 | 30 | Ø8.5ר4.5×5 | 38.1 32.7 | 58.5 | 78.1 | GZD30X123 | 123 | 40 | 30 | Ø8.5ר4.5×5 | 58 30 | 63.5 | 72.3 | GZD30X150 | 150 | 56 | 30 | Ø14ר9×10 | 42 64 | 116 | 151 | GZD38X202 | 202 | 52 | 38 | Ø6.8 M8 | 102 41 | 202 | 273 | GZD40X132 | 132 | 51.4 | 40 | Ø5.5ר10×6 | 50.8 41.5 | 89.1 | 121 | GZD57X198 | 198 | 76 | 40 | Ø6.8 M8 | 102 41 | 300 | 400 | GZD85X280 | 280 | 104 | 85 | Ø8.6 M10 | 101.5 82.5 | 620 | 840 | GZD100X330 | 330 | 124 | 100 | Ø12 | 120 102.5 | 800 | 1000 |
*备注:红色没有现货,定做需要1个月。 安装注意事项: 1.导轨块本体用安装螺钉通过螺纹过孔直接安装在导轨主体、床身或工作台上。 2.当多个滚柱导轨块安装在相同的平台上时,为了使滚柱导轨块获得均衡的载荷,建议选择具有相同分组选号的滚柱导轨块安装。 3.与导轨块安装的主体,其表面硬度推荐为HRC58~64,表面粗糙度>Ra0.4~0.8μm,主体本身平行度<0.01mm/每米,安装后平行度<0.01mm/每米。 |