


温馨提示:产品属性及价格仅供餐参考,详情请咨询旺旺或来电!
矿用单轴振动筛/煤用单轴振动筛是一种作圆运动的振动筛。可供黑色、有色以及非金属矿山的辅助或独立筛分作业中作中等粒度的分级之用。同鑫振动生产的DD/ZD系列矿用/煤用单轴振动筛筛机具有结构简单,动转平稳,工作可靠等优点。本系列单轴振动筛适用于煤炭、矿山、建材轻工、化工等行业对中细粒的分级单轴筛运动轨迹为圆,具有结构简单、维修方便、作业可靠的优点。 使用得到煤炭、矿山、建材、轻工、化工等行业的一致好评!
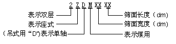
DD/ZD系列单轴振动筛产品型号说明:

DD/ZD系列单轴振动筛产品选型指导:
单轴筛有吊式和座式,层数有单层和双层,传动形式分左右,筛板有冲孔、编织(其中还有橡胶筛网)。
DD/ZD系列单轴振动筛产品外形示意图:
