BQJ系列防爆自耦减压起动器
产品图片

型号含义

适用范围
1.1区、2区危险场所或20区、21区、22区危险场所;
2.IIA、IIB、IIC爆炸性气体环境或可燃性粉尘环境;
3.户内、户外(IP65、IP66);
4.温度组别:T1~T4/T6.
产品特点
1.钢板焊接,表面喷塑;
2.内装自耦变压器、交流接触器、热继电器、断路器、时间继电器、电流互感器、电压表、电流表、转换开关及指示灯等元件;
3.产品具有过载、短路、欠压\\断相等保护功能;
4.可根据用户要求特制;
5.钢管或电缆布线。。
主要技术参数


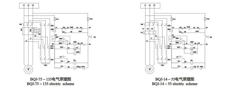
电气原理图

外形尺寸

订货须知
1.请根据“型号含义”,注明所需产品具体型号规格和数量;
2.请注明防爆标志;
3.当所需参数与选型不一致时请注明。