更多
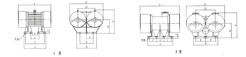
新型国家专利产品:WHZY-2*5-4直线自振源(双胞胎电机)
1台起批
7960.00
点此议价
产品属性
图文详情
品牌推荐
品牌/型号
WHZY-2*5-4
马可波罗版权所有1999-2020