更多
供应SHARP日本夏普GP2Y1010AU0F灰尘传感器
1台起批
点此议价
产品属性
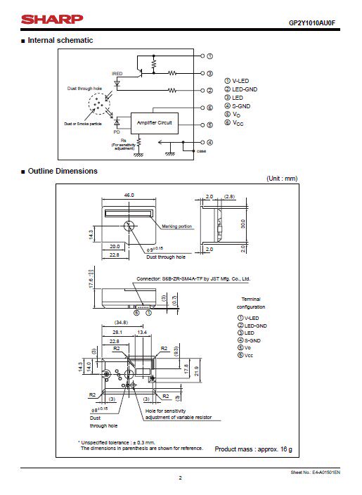
图文详情
品牌推荐
品牌
SHARP
型号
GP2Y1010AU0F
输出信号
模拟型
制作工艺
集成
材质
金属
材料物理性质
半导体
材料晶体结构
单晶
电子元器件 > 传感器 > 气体传感器 >
马可波罗版权所有1999-2020