
安装示意图

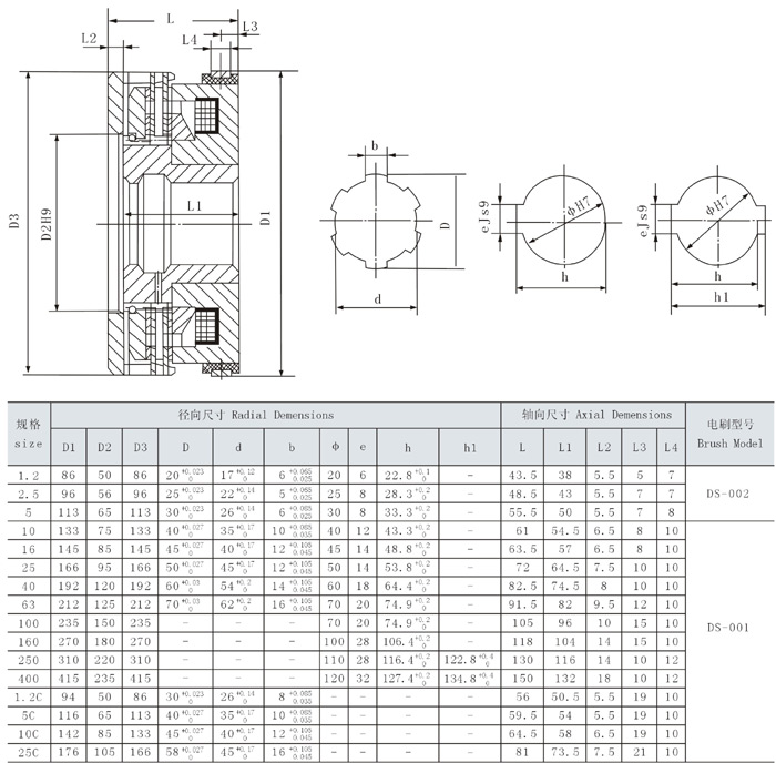
外形及安装尺寸

DLM5系列湿式多片电磁离合器用于机械传动系统中,作为自动控制的执行元件,可在主动运转的情况下,使从动部分结合或分离,达到起动,换向,制动等动作。
DLM5系列系列湿式多片离合器
格 | 额定动力矩 N.m | 额定静力矩N.m | 空载力矩≤N.m | 接通时间 ≤S | 断开时间 ≤S | 额定电压 DC V | 线圈消耗功率(20°C) | 允许最高运转r/min | 重量 kg | 供油流量 L/min |
1.2/1.2C | 12 | 20 | 0.39 | 0.28 | 0.09 | 24 | 10 | 3500 | 1.3 | 0.20 |
2.5 | 25 | 40 | 0.40 | 0.30 | 0.09 | 24 | 17 | 3500 | 1.73 | 0.25 |
5/5C | 50 | 80 | 0.90 | 0.32 | 0.10 | 24 | 17 | 3000 | 2.9 | 0.40 |
10/10C | 100 | 160 | 1.80 | 0.35 | 0.14 | 24 | 19 | 3000 | 4.3 | 0.65 |
16 | 160 | 250 | 2.40 | 0.37 | 0.14 | 24 | 26 | 2500 | 5.53 | 0.65 |
25/25C | 250 | 400 | 3.50 | 0.40 | 0.18 | 24 | 39 | 2200 | 8 | 1.00 |
40 | 400 | 630 | 5.60 | 0.42 | 0.20 | 24 | 45 | 2000 | 12.2 | 1.00 |
63 | 630 | 1000 | 9.00 | 0.45 | 0.25 | 24 | 66 | 1800 | 16.2 | 1.2 |
100 | 1000 | 1600 | 15.0 | 0.65 | 0.35 | 24 | 81 | 1600 | 23.2 | 1.2 |
160 | 1600 | 2500 | 24.0 | 0.90 | 0.45 | 24 | 87 | 1600 | 31.7 | 1.5 |
250 | 2500 | 4000 | 37.50 | 1.20 | 0.60 | 24 | 100 | 1200 | 47.1 | 2.0 |
400 | 4000 | 6300 | 60.00 | 1.50 | 0.80 | 24 | 134 | 1000 | 100.9 | 3.0 |