由于产品规格不同(材质、尺寸等),价格也不同;所以具体价格请以协商后的报价为准。 |
一、 产品用途、特点
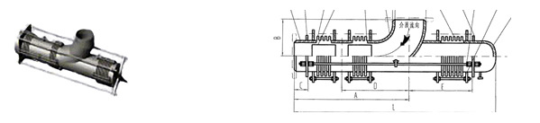
曲管压力平衡型(QPB)波纹管补偿器,主要用于补偿管系的空间位移,具有设计简单,补偿量大,刚度力小,无内压推力等优点,但价格较高。主要应用于大型设备进出口的减震、吸噪。
二、 适用工况
工称压力:0.25MPa、0.6MPa、1.0MPa、1.6MPa、2.5MPa
工作温度:-50℃ - 420℃
介质:液体、气体等。
法兰标准:国标GB、美标ANSI、日标JIS、德标DIN等
三、 结构及材料

1.波纹管:不锈钢304、316L、321等
2.法兰、接管:碳钢、不锈钢304、316L、321等
5.拉杆螺栓、螺母:碳钢
四、 产品代号示例

五、 安装注意事项
1、 所通介质氯离子含量≤25PPM。
2、 严禁焊渣溅伤波纹管。
3、 必须按产品流向标志安装。
4、 波纹管两端必须合理的设置导向支座及固定支座。(详见“波纹补偿器管系支座设置”)
5、 不允许用波纹补偿器的变形来强行调整管系位置的安装误差。
6、 禁止用安装拉杆或限位拉杆起吊。
7、 安装完毕后,应拆除运输拉杆和带有黄色标记的限位拉杆。