产品概述
MPM4730型智能压力变送器是一款高精度、高稳定性的智能化压力测量产品。该产品采用数字技术在传感器制造领域的最新应用成果,结合国际最先进的压阻式压力变送器设计制造技术,精密数字化温度补偿和非线性修正技术,一体化的结构设计和标准化的信号输出,体积小、精度高、重量轻、量程覆盖范围宽,适用于各行业需要对流体压力进行精密测量的场所。该产品以两线制方式工作,可以直接替代模拟两线制4~20mADC输出变送器。

|
产品特点: |
| •4~20mADC两线制电流输出; •采用数字补偿及非线性修正技术; •-10℃~80℃数字化宽温度补偿; •RS485通讯接口或HART通讯协议(可选); •支持组网应用; •全不锈钢结构、体积小,重量轻; •特殊要求可定做,适应各种场合应用; •产品已取得RoHS认证。 |
①综合精度:包含非线性、迟滞、重复性及温度误差。 ②特殊温度范围可与厂家协商。 | ||||||||||||||||||||||||||||||||||||||||||||||||||||||||||||||||||||||||||||||||||||||||||||||||||||||||
![]() | ||||||||||||||||||||||||||||||||||||||||||||||||||||||||||||||||||||||||||||||||||||||||||||||||||||||||
|
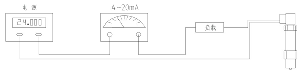
变送器与外部通过插头或电缆进行电气连接:
a) 二线制4~20mADC输出应用电气连接方法如下图所示。
![]() b) RS485接口型变送器用于RS485通讯时的电气连接方法如下图所示。
![]() c) HART协议型变送器与手操器及组态系统连接如下图所示。
![]() ![]() 辅助软件
a) RS485接口型变送器软件MS Setonline软件 通过RS232/485转换模块,用于和RS485接口 ![]() 注:“MS Setonline”程控软件,可从本公司网站www.microsensor.cn下载。
b) HART协议型变送器软件
MS-C100A软件 通过MS-HART232转换模块,客户可对 ![]() 现场应用 两线制变送器现场压力测量示意图
![]() 利用计算机现场调校时的接线示意图
![]() 变送器RS485接口网络化应用示意图
![]() | ||||||||||||||||||||||||||||||||||||||||||||||||||||||||||||||||||||||||||||||||||||||||||||||||||||||||
选型提示 1、选择RS485接口型变送器必须选用B2电缆线输出或B3七芯接插件连接方式。 2、齐平膜片型变送器的测量范围为0~70kPa…35MPa。 3、特殊要求,敬请与本公司商洽,并在订单中予以注明。 | ||||||||||||||||||||||||||||||||||||||||||||||||||||||||||||||||||||||||||||||||||||||||||||||||||||||||
麦克传感器MDM492,MDM490,MDM460
麦克传感器代理MPM280,MPM281,MPM282,MPM283,MDM290,MPM380,MPM316W,MDM390,MPM388
麦克传感器代理MPM416WRK,MPM426WJ,MPM426W/416W,MPM436W,MPM416WK,MPM480,MPM430
麦克传感器代理MPM4530,MTM,MPM482,MPM483,MPM4730,MPM4760,MPM4700,MPM484A/MDM484A
麦克传感器代理MPM462,MPM486,MPM484ZL/MDM484ZL,MPM484/MDM484,MPM460,MPM460W,MDM460
麦克传感器代理MDM492,MDM490,MDM460,MDM484,MDM484ZL,MDM484A,MDM3051,MDM4951,MPM580
麦克传感器代理MPM582,MFM500,MPM583,MSB9438,MSB9418,MSB9458,MDM4951LT,MDM4951DPU,MDM4951GPU
麦克传感器代理MDM4951DP,MDM4951DR,MDM4951HP,MDM4951DP,MDM4951HP,MDM4951GP,MDM4951AP
麦克传感器MPM280,MPM281,MPM282
麦克传感器MPM283,MDM290,MPM380
麦克传感器MPM316W,MDM390,MPM388
麦克传感器MPM416WRK,MPM426WJ
麦克传感器MPM426W/416W,MPM436W
麦克传感器MPM416WK,MPM480,MPM430
麦克传感器MPM4530,MTM,MPM482,MPM483
麦克传感器MPM4730,MPM4760,MPM4700
麦克传感器MPM484A/MDM484A,,MPM484/MDM484
麦克传感器MPM462,MPM486,MPM484ZL/MDM484ZL
麦克传感器MPM460,MPM460W,MDM460
麦克传感器MDM492,MDM490,MDM460,
麦克传感器MSB9438,MSB9418,MSB9458
麦克传感器MDM4951LT,MDM4951DPU,MDM4951GPU
麦克传感器MDM4951DP,MDM4951DR,MDM4951HP
麦克传感器MDM4951DP,MDM4951HP
麦克传感器MDM4951GP,MDM4951AP
麦克传感器MDM492,MDM490,MDM460
麦克MPM4700液位变送器
麦克MPM416W投入式液位变送器
麦克MPM416WK型铠装插入式液位变送器
麦克MPM316W型压阻式液位传感器
麦克MPM426W型投入式液位变送器
麦克MPM460W多功能智能液位变送控制器
麦克MPM436W投入式液位变送器
麦克MPM489W液位变送器
麦克MPM380压力传感器
麦克MPM388压力传感器
麦克MPM388压力传感器
麦克MPM430压力变送器
麦克MPM480压力变送器
麦克MPM4730压力变送器
麦克MPM4760压力变送器
麦克MPM489压力变送器
麦克MPM482型LCD数字显示压力变送器
麦克MPM4120 压缩机专用压力传感器
麦克MPM483压力变送器
麦克MPM486型 HART?协议智能压力变送器
麦克MPM484压力变送控制器
麦克MPM460多功能智能压力变送控制器
麦克MPM484A/ZL型数字化压力变送控制器
麦克MPM380型压力传感器
麦克MPM388型压力传感器
麦克MPM430型压力变送器
麦克MPM480型压力变送器
麦克MPM4730型压力变送器
麦克MPM4760型压力变送器
麦克MPM489型压力变送器
麦克MPM482型LCD数字显示压力变送器