更多
厂家销售 ZW32M-12户外高压永磁真空断路器
1台起批
1000.00
点此议价
乐清市柳市兴浩电器经营部
乐清市浙江省乐清市柳市镇象阳工业区
产品属性
图文详情
品牌推荐
品牌/型号
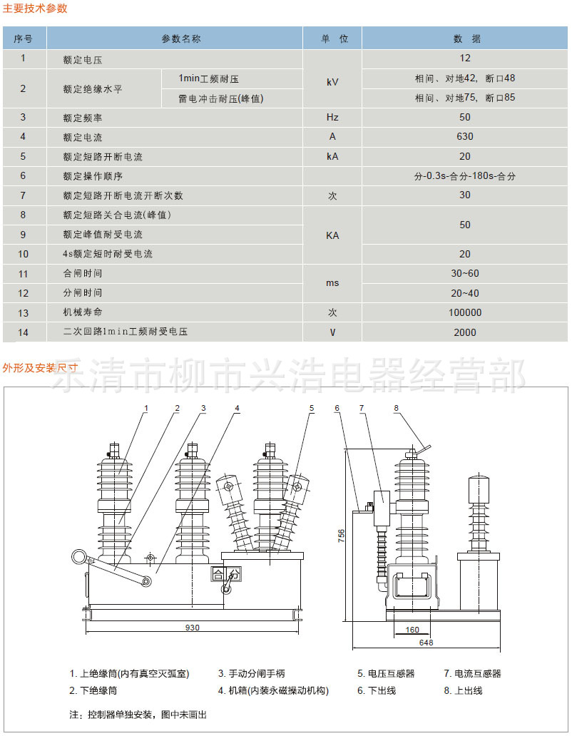
国产/ZW32M-12
型号
ZW32M-12
灭弧方式
真空断路器
额定绝缘电压
12K(V)
品牌
国产
极数
3P
额定频率
50(Hz)HZ
机械寿命
1(万次)
加工定制
属性
属性值
电气与能源设备 > 高压电器 > 高压断路器 >
马可波罗版权所有1999-2020