T25是标准的过孔式滑环,其轴的中心位置有φ25.4mm(1.0 Inch)的通孔可通过气压,液压管或驱动轴通过。多触点贵金属纤维刷接触,长寿命设计,精密双滚珠轴承,铝合金外壳,可选的安装法兰。具有工作可靠,驱动扭矩低、电气噪音低、体积小等特点。
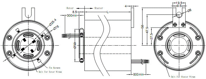
A.)尺寸图(单位:毫米)

| 内径(mm) | 25.4 |
| 外径(mm) | 78.0 |
| 长度(mm) | L=21.35+P*4.0+S*3.0 |
P:电源通路数(10A/路)
S: 信号环通路(5A/路)
B.)性能规格
| 工作电压 | 380V AC/DC |
| 电流 | 5、10A/路 |
| 转速 | 250转/分 |
| 绝缘电阻 | 1000M?@500VDC |
| 耐压 | AC 600V@60Hz, 60S |
| 电气噪音 | 70 milliohms MAX @5rpm,50milliamps,6V DC |
| 接触材料 | 贵金属 |
| 导线规格 | 0.5mm2铁氟龙线 |
| 工作温度 | -20℃~+80℃ |
| 储藏温度 | -30℃~+90℃ |
C.)特点
●25.4mm通孔,78mm外径
●模块化设计
●信号电流可在同一个滑环内通过
●最高可达2500转(可选项)
●无需维护
D.)应用
●CCTV监控系统;
●医疗设备;
●机器人;
●实验设备;
E.)可选项
●更高的电压,电流可选
(高压、大电流的屏蔽技术,可靠的物料、工艺可使产品达100A 2000V以上)
●更高转速
(特殊的结构,工艺、材料,满足高速工作下高可靠性要求,可达2000Rpm)
●更宽的温度范围
(专用物料、针对性的工艺,可使产品工作温度可达-60°C~200°C)
●更高的防护级别
(模块化的防护级别,满足产品防尘防水要求,防护级别可达IP67,可选防爆型)
●出线方向可选择
(转子可选择端面出线、辐射状垂直轴出线;定子可选择端面出线和侧面出线)
●安装法兰
(转子、定子均可定制法兰,方便安装)
更多详情请上公司官网www.victory-way.cn