

















※尊敬的用户您好!福州昌晖自动化系统有限公司厂家在线直销,均为昌晖正品,货期一般为3个工作日,并且提供完善的售后技术支持!由于仪表功能较多,网上报价均为基价,且含17%增值税含运费,具体价格电议!更多产品信息请咨询在线客服人员或详电咨询福州昌晖自动化系统有限公司,销售联系电话:0591-83053609,由此给您带来的不便致以真诚的歉意!
福州昌晖(SWP)产品:智能数显仪表、电力仪表、无纸记录仪、安全栅隔离器、现场检测变送单元、信号校验仪、温度传感器、压力变送器等。
400技术服务热线:400-100-8963



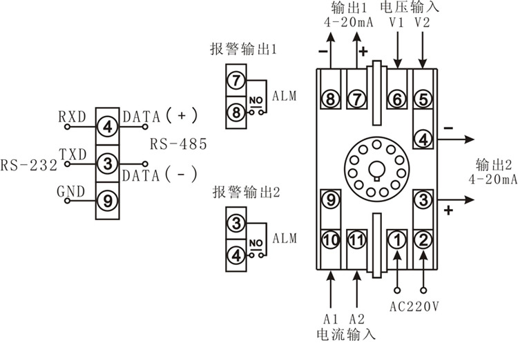
SWP-M30系列单相电量模块采用交流采样技术,能分别测量单相电网中的电流,电压,功率等电参数,可选配显示模块,通过显示面板的按键设置内部参数。带RS-485通讯接口,采用Modbus协议;也可将电量信号转换成标准的直流模拟信号输出;最多可带2路继电器报警输出。
本公司供应SWP-M30系列单相电量模块,品牌昌晖,型号SWP-M30。参数为:精确度:电流、电压:0.5级;频率:0.05Hz;有功功率:0.5级;无功功率:1.0级,工作电压:85-265VAC 50/60Hz 24VDC,外形尺寸:80×50×132mm。质量保证,欢迎咨询洽谈。
昌晖正品,接受验货!
选择昌晖仪表,获得真诚服务!