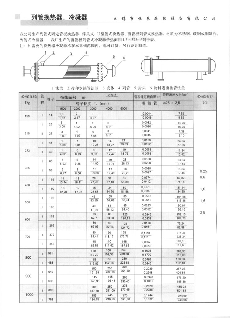
列管式冷凝器
我厂生产的列管式冷凝器,按材质分为碳钢列管式冷凝器,不锈钢列管式冷凝器和碳钢与不锈钢混合列管式冷凝三种,按形式分为固定管板式、浮头式、U型管式换热器,按结构分为单管程、双管程和多管程,传热面积0.5-500m2,可根据用户需要定制。
特点:
1.耐腐蚀性:聚丙烯具有优良的耐化学品性,对于无机化合物,不论酸,碱、盐溶液,除强氧化性物料外,几乎直到100℃都对其无破坏作用,对几乎所有溶剂在室温下均不溶解,一般烷、径、醇、酚、醛、酮类等介质上均可使用。
2.耐温性:聚丙烯塑料熔点为164-174℃,因此一般使用温度可达110-125℃。
3.无毒性:不结垢,不污染介质,也可用于食品工业。
4.重量轻:对设备安装维修极为方便。
