'

|
 |  |  |
CB-B160-500低噪音大流量齿轮油泵 | CB-B600-1000低噪音大流量齿轮油泵(椭圆形) | CB-B600-1000低噪音大流量齿轮油泵(圆形) |

| 
| 
|
GLC冷却器 | GLL立式冷却器 | GLL卧式冷却器 |


温馨提示:产品图片、价格及属性仅供参考,详情请旺旺咨询!

SNBY双向润滑油泵是新一代润滑油泵,泵轴在作正向、反向旋转时,进出油口都不会改变,都能向同一个方向等量供油,其体积小、重量轻、噪音低、寿命长。用于减速机、机床、纺织机械等设备中,以及一般机械中作正反向旋转的场合中作为润滑泵。

型号 | 排量 ml/r | 转速 r/min | 压力 MPa | 吸油高度 m |
SNBY0.8/1.6 | 0.8 | 1500 | 1.6 | 1 |
SNBY2.5/1.6 | 2.5 | 1.2 |
SNBY5/1.6 | 5 | 1.2 |
SNBY16/1.6 | 16 | 1.2 |
SNBY25/1.6 | 25 | 1.2 |
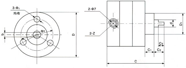
型号 | C | C1 | C2 | C3 | Φ | Φ1(f8) | Φ2(h7) | b1 | b2 | Φ3 | Φ4 | Z |
SNBY0.8/1.6 | 72 | 20 | 20 | 10 | Φ65 | Φ36 | Φ8 | 5 | | Φ7 | Φ53 | ZG1/4" |
SNBY2.5/1.6 | 80 | 16 | 19 | 12 | Φ73 | Φ36 | Φ8 | 5 | | Φ7 | Φ55 | M14×1.5 |
SNBY2.5/1.6 | 80 | 16 | 19 | | Φ73 | Φ36 | Φ12 | | 4 | Φ7 | Φ55 | M14×1.5 |
SNBY5/1.6 | 93 | 5 | 25 | 12 | Φ90 | Φ35 | Φ12 | | 4 | Φ9 | Φ72 | Z3/8" |
SNBY16/1.6 | 105 | 5 | 25 | 12 | Φ120 | Φ35 | Φ16 | | 5 | Φ9 | Φ100 | Z3/4" |
SNBY25/1.6 | 121 | 5 | 30 | 21 | Φ120 | Φ50 | Φ16 | | 5 | Φ9 | Φ100 | Z3/4" |

我厂专业制造各种冷却器、换热器和液压动力装置,严格热行《列管式油冷却》JB/T7356-2005、JB/ZQ4593-1997《板式油冷却器》、GB16409-1996《板式换热器》标准。主要产品有GL型、LQ型、LC型、SL型、OR型、CL型、LCX型列管式冷却器;BR型板式冷却器、换热器;FL、KL型风冷却器,共400多个规格,产品以其效率高、结构紧凑、轻巧坚固、寿命长、节能等特点广泛应用于电力、化工、冶金、机械、船舶、医药、食品、供暖等领域。
本厂始终坚持以客户为导向、以质量为生存之本,我们会不停地努力,以优质的产品、优异的服务满足客户的需求,超越客户的期望,赢得客户的信赖。
'