'

|
 |  |  |
CB-B160-500低噪音大流量齿轮油泵 | CB-B600-1000低噪音大流量齿轮油泵(椭圆形) | CB-B600-1000低噪音大流量齿轮油泵(圆形) |

| 
| 
|
GLC冷却器 | GLL立式冷却器 | GLL卧式冷却器 |


温馨提示:产品图片、价格及属性仅供参考,详情请旺旺咨询!


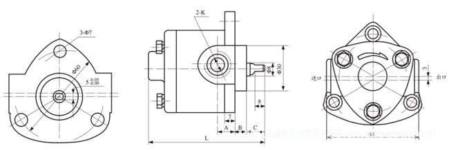
RHB摆线润滑齿轮油泵泵其体积小、安装拆卸方便,适用于机床、机械设备的润滑及输油之用。

型号 | 排量 ml/r | 流量 | 压力MPa | 最高转速 r/min | 重量 kg | 尺寸 |
1500rpm | 1800rpm | L | A | B | C | D |
RHB-1 | 1 | 1.5 | 1.8 | 0.5 | 3000 | 0.57 | 60 | 11 | 8 | 11.5 | Z1/8" |
RHB-1.6 | 1.6 | 2.5 | 2.9 | 2000 | 0.60 | 64 |
RHB-2.5 | 2.5 | 3.7 | 4.5 | 1800 | 0.70 | 70 | Z1/4" |
RHB-3.15 | 3.15 | 4.7 | 5.7 | 0.85 | 76 | Z3/8" |
RHB-3.15 | 3.15 | 4.7 | 5.7 | | |
自动润滑装置能有效地减少设备故障,降低能耗,提高生产效率,延长机器使用寿命。 多种规格的分配器,实现对各类摩擦副精确供油;组合式润滑阀块,可便利地修正系统设计,并能应生产要求而进行变更,从而使润滑剂的消耗最经济。 连续递进润滑分配器能承受20 Mpa的压力,可达距离输送润滑剂,其先进结构有效阻止了润滑油因自重而倒流。 j供油润滑元件制造精良,性能完善,品质一流,是免维护集中润滑系统之必备。多功能监测元件,可以准确、及时地监护各润滑点(摩擦副)的运行状况,报告机器故障部位。(摩擦副)的运行状况,报告机器故障部位。

我厂专业制造各种冷却器、换热器和液压动力装置,严格热行《列管式油冷却》JB/T7356-2005、JB/ZQ4593-1997《板式油冷却器》、GB16409-1996《板式换热器》标准。主要产品有GL型、LQ型、LC型、SL型、OR型、CL型、LCX型列管式冷却器;BR型板式冷却器、换热器;FL、KL型风冷却器,共400多个规格,产品以其效率高、结构紧凑、轻巧坚固、寿命长、节能等特点广泛应用于电力、化工、冶金、机械、船舶、医药、食品、供暖等领域。
本厂始终坚持以客户为导向、以质量为生存之本,我们会不停地努力,以优质的产品、优异的服务满足客户的需求,超越客户的期望,赢得客户的信赖。
'