'

【特价包邮】三菱伺服电机|HF-SN52J-S100| 性能稳定,质量可靠
本公司为三菱电机专业代理商(专业提供PLC、人机界面HMI、变频器、伺服,特殊规格均可供应),
拥有很优势的价格及庞大的库存,可以确保客户准时交货,品质保证,值得信赖!电话:020-34625770

型号构成



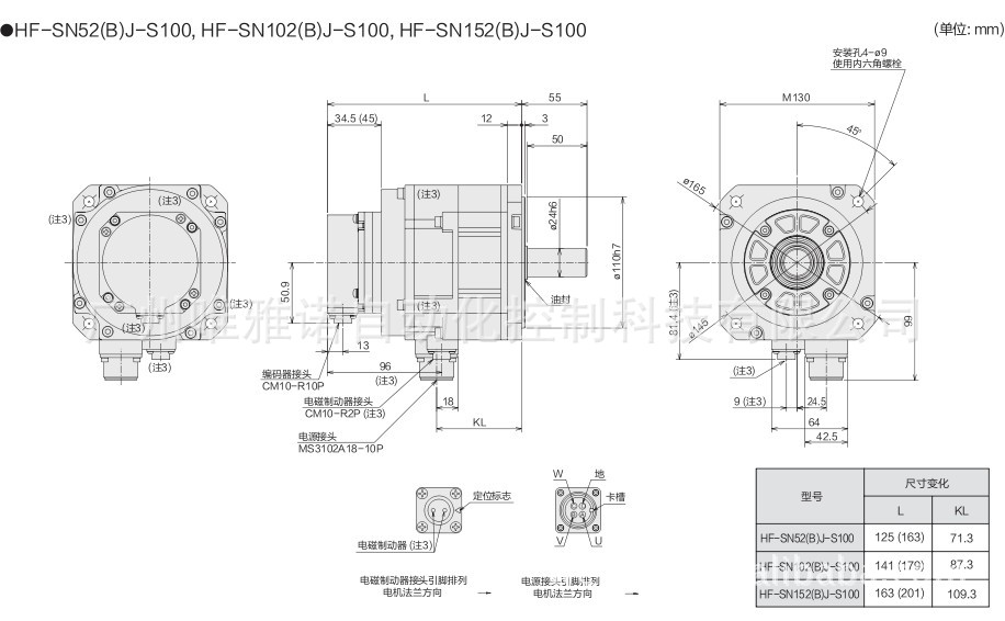
外型尺寸

包装清单
主机*1
使用手册*1

售后服务
本产品全国联保,享受三包服务,质保期为:一年质保
如因质量问题或故障,凭厂商维修中心或特约维修点的质量检测证明,享受7日内退货,15日内换货,15日以上在质保期内享受免费保修等三包服务!
品牌代理网站:http://www.weyano.com/
服务承诺:
唯雅诺自动化向您保证所售商品均为正品行货。凭唯雅诺自动化发票,可享受全国联保服务,与您在代理商那里选购的商品享受相同的质量保证。
唯雅诺自动化还为您提供具有竞争力的商品价格和售后政策,请您放心购买!
注:因厂家会在没有任何提前通知的情况下更改产品包装或者一些附件,本司不能确保客户收到的货物与官网图片、附件说明完全一致。
只能确保为原厂正货!并且保证与当时市场上同样主流新品一致。若本公司没有及时更新,请大家谅解!
权利声明:
唯雅诺自动化上的所有商品信息、客户评价、商品咨询、网友讨论等内容,是唯雅诺自动化重要的经营资源,未经许可,禁止非法转载使用。

'