一.原理
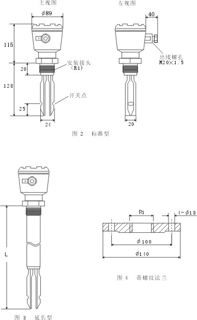
DZ-YC型音叉式液位开关是一种新型的液位开关。音叉由晶体激励产生振动,当音叉被液体浸没时振动频率发生变化,这个频率变化由电子线路检测出来并输出一个开关量。 音叉式液位开关又被称作“电气浮子“凡使用浮球液位开关和由于结构、湍流、搅动、气泡、振动 等原因导致不能使用浮球液位开关的场合均可使用“电气浮子”。由于音叉液位开关无活动部件,因此无须维 护和调整,是浮球液位开关的升级换代产品。 本系列产品经国家级仪器仪表防爆安全监督检验站(NEPSI)认可,防爆 标志分别为:“dIIBT4和iaIIBT4,防爆合格证号分别为:GYB98180和GYB97316A”,可适用于相应爆炸性危险场所。 二.应用范围 音叉限位开关可以任何方向安装于液体罐、液体槽上用于液位的上下限位报警或控制, 亦可安装于管道上防止泵的无料运行。 。自来水、矿泉水 。纸浆、胶水、染料 。废水、泥浆 。酸、碱溶液可产生气体的液体 。柴油等危险场所 三.产品特点 1.免于维护 由于音叉限位开关的检测过程由电子电路完成,无活动部件,所以一经安装投运使用便不需要维护。 2.适应性强 被测液体不同的电参数、密度对测量均不产生影响。结垢、搅动、湍流、气泡、振动、中等粘度、高温、高压等恶劣条件对检测也无影响。 3.不需调校 由于音叉限位开关的检测不受被测介质电参数及密度的影响,所以无论测量何种液体都不需现场调校。 四.主要技术指标 1、供电电压 直流24V或l2-55V(本安型用DC24v);交流25V~250V50Hz 2、工作温度 仪表:-20℃~45℃ 叉体:常温型-20℃~60℃ 中温型-20℃~120℃ 3、输出方式 直流24供电时为继电器输出(AC220V0.5A);直流l2~55V供电时为集电极开路输出;(350mA,本安型产品≤50mA);交流25~250V供电时为两线制输出 (220V,4.4W~77W)。 4、功耗 直流供电时0.25W(24V时);交流供电时1.5W(220V时) 5、本安型 防爆标志∶iaⅡBT4;防爆证号∶GYB97316A;关联设备∶LB879。 五.外型尺寸及安装方式

六.端子图及系统连线 有以下三种方式: 
七.本安防爆型产品的现场接线

八.型号编制及说明

|