


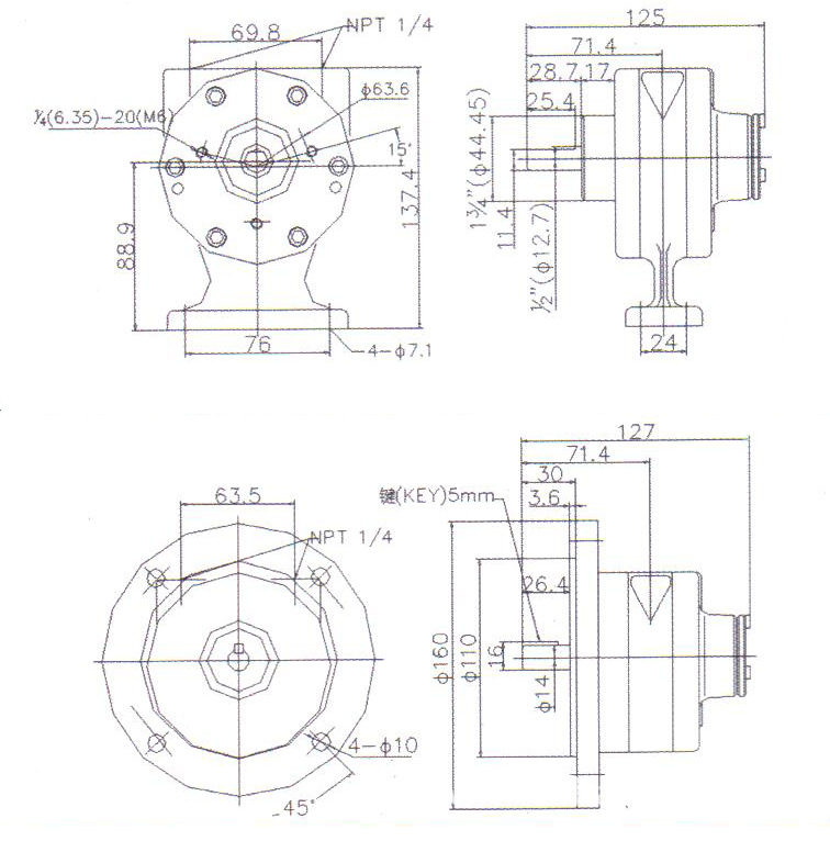
产品简介:叶片式气动马达是以压缩空气为工作介质,采用压缩气体的膨胀作用,将压力能转换为机械能的动力装置。叶片式气动马达结构简单,体积小,重量轻,马力大,操纵容易,维修方便,并具有耐水,防火,防潮和防爆等特点。可在潮湿,高温,高粉尘等恶劣的环境下工作,除被用于矿山凿岩,钻采,装卸等机械设备的动力外,更广泛用于船舶,冶金,化工,造纸,印刷,食品等行业中。安装方式有卧式L,立式T和法兰式F。具体参数见下表:

型号 | 速比 | 功率 | 转速 | 最高扭力 | 最大扭力 | 耗气量 | 安装方式 |
hp | kw | rpm | nm | Ib-in | nm | Ib-in | l/min | cfm | F | L | T |
CTV2 | 1:1 | 0.93 | 0.69 | 3000 | 2.2 | 19.5 | 3.05 | 27 | 850 | 30 | * | * | * |
| | 3:1 | 0.78 | 0.58 | 1000 | 5.6 | 49.56 | 7.6 | 67 | 900 | 32 | * | * | * |
5:1 | 0.75 | 0.56 | 600 | 9 | 79.65 | 12 | 106 | 900 | 32 | * | * | * |
10:1 | 0.74 | 0.55 | 300 | 17.6 | 156 | 24 | 212 | 900 | 32 | * | * | * |
15:1 | 0.7 | 0.52 | 200 | 25 | 221 | 34 | 301 | 900 | 32 | * | * | * |
20;1 | 0.65 | 0.49 | 150 | 31 | 274 | 42 | 372 | 900 | 32 | * | * | * |
30:1 | 0.58 | 0.43 | 100 | 41 | 363 | 55 | 487 | 900 | 32 | * | * | * |
40:1 | 0.51 | 0.38 | 75 | 48.6 | 430 | 66 | 584 | 900 | 32 | * | * | * |
60:1 | 0.47 | 0.35 | 50 | 67 | 593 | 89 | 788 | 900 | 32 | * | * | * |
| | | | | | | | | | | | |