基本参数
产品名称:
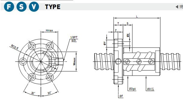
FSV 法兰单螺母外循环丝杆
品牌:
台湾上银
型号规格:
外径 导程 长度任意 螺母为FSV 货期短
滑动种类:
滚动丝杆
适用机床:
机床 雕铣 雕刻机等等
产品详细信息
特性
高效率及可逆性零背隙及高刚性 高导程精度寿命可预测 低起动扭矩及顺畅度静音短交期优于气液压致动器的优点
应用
CNC机械:CNC加工中心、CNC车床、CNC铣床、CNC放电加工机、CNC磨床、CNC线切割机、CNC钻孔机、专用机…等等
精密工具机:铣床、磨床、放电加工机、刀具磨床、齿轮加工机、钻床、刨床
电子机械:量测仪器、x-y平台、医学设备、工厂自动化设备、PCB钻孔机、IC封装机、半导体设备、工厂自动化设备…等
输送机械:Robort Stage、材料搬送设备、核能反应器,高度致动器…等
航太工业:飞机襟翼、机场负载设备
其它 :如天线使用的致动器、阀门开关装置…等
其它:如天线使用的致动器、阀门开关装置…等


