更多
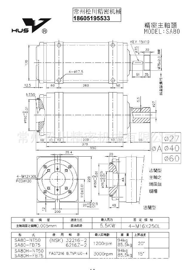
SA80精密主轴头,精密动力头
1台起批
8000.00
点此议价
产品属性
图文详情
品牌推荐
品牌/型号
台湾胡氏HUS/SA80-NT50 SA80-FB75 SA80H-NT50 SA80H-FB75
型号
SA80-NT50 SA80-FB75 SA80H-NT50 SA80H-FB75
品牌
台湾胡氏HUS
额定转速
1200/3000(rpm)rpm
适用机床
皆可
最大转速温升
15(℃)℃
动平衡
0.005(mg)
最大转速噪音
15(db)db
通用机械设备 > 机床附件 > 机床主轴 >
马可波罗版权所有1999-2020