
温馨提示:
我公司产品均可按照客户的要求定制,价格按照产品的规格材质及市场行业的价格波动而不同,具体情况请来电咨询!
选择中汇通用,让我们一起携手发展,共创美好明天!



一、产品标准:
QJ/AKJ02.08-89自定中心振动筛和QJ/AKJ02.09-89自定中心振动筛。
二、用途及特点:
SZZ型自定中心振动筛运动轨迹为圆,全系列共有十种规格,可供煤炭、冶金、建材、化工等部门,对中小粒度的物料进行干式分级。筛机结构简单,坚固可靠,维修方便,效率高。
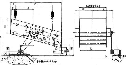
三、选用须知:
——筛机分单层和双层,除了SZZ1800×3600振动筛外都为吊式。
——筛网结构有编织网和冲孔筛板。
——电动机可安装在左侧或右侧,无特殊要求按安装图安装。
——电动机额定电压为380V,可选用防爆电机或不同额定电压的电机,如选用请在订货时注明。
——基础螺栓全部由用户自备。
四、工作原理:
YZDS系列振动筛为单轴圆运动惯性振动筛,它是利用惯性电机工作时,偏心块产生的惯性力迫使筛箱产生振动,使加到筛机筛面上的物料产生抛掷运动,从而使一定粒度的物料颗粒透过筛孔,实现筛分操作。
由于激振器布置在筛箱重心的上方,故筛箱两端椭圆长轴成下八字形,且给料端椭圆长轴的上端朝向排料方向,有利于给到箱机上的物料迅速散开,而排料端椭圆长轴上端逆着排料方向,减低物料运动速度,有利于难筛物料透筛,且圆弧状的筛面又增大了筛机的有效面积,从而可以提高其处理能力。





