LSZ三相一体组合式系列电流互感器
概述
LSZ型三相一体式电流互感器适合安装在环网开关柜和主柱上开关的三相套管上,用于三相电流和零序电流的测量和保护,也可用于多根电缆回路的零序电流的测量和保护。
该系列零序电流互感器的铁芯和二次绕组采用优质环氧树脂真空浇注在可阻燃的塑料壳体内,防潮湿,性能稳定,无需维护。
技术参数
使用条件
额定频率:50Hz or 60Hz;,
环境温度:-35℃-+55℃
额定二次电流:5A or 1A;
日平均温度:≤40℃。
工频耐压3kV , 1min;
海拔高度:≤3000m
额定扩大电流:120%In;
大气条件:大气中无严重污秽
执行标准: GB1208-2006;WNCB001-2008(企业标准)。
P2表示一次极性端,S1、S2表示二次极性端;P2和S2为同名端(减极性)
接线原理图

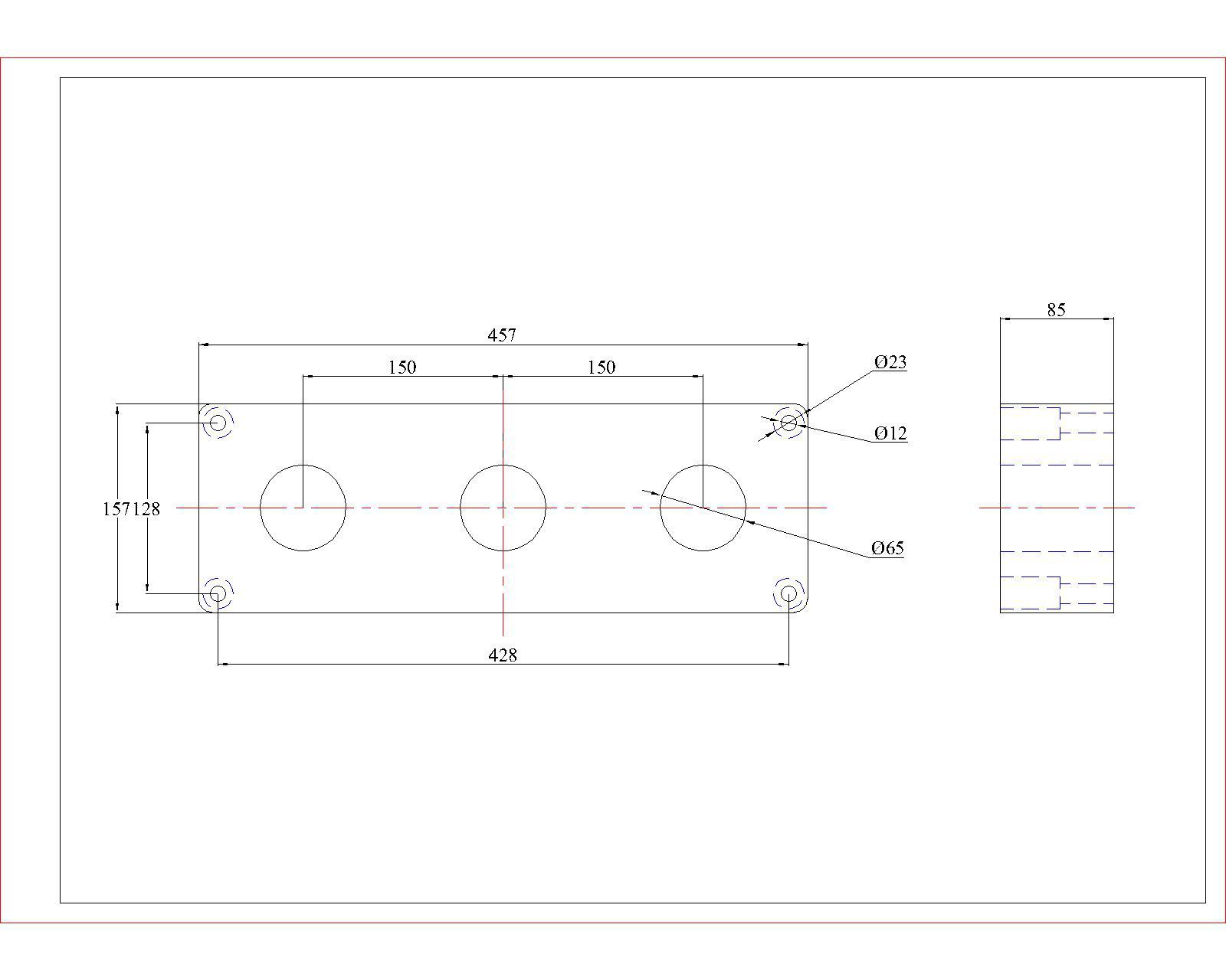
外形尺寸

型号 | M (mm) | φ (mm) | D (mm) | H (mm) | h (mm) | L (mm) |
LSZ107-75 | 107 | 75 | 65 | 128 | 64 | 322 |
LSZ107-83 | 107 | 83 | 60 | 150 | 73.5 | 340 |
LSZ110-83 | 110 | 83 | 50 | 160 | 87.5 | 365 |
LSZ125-82 | 125 | 82 | 50 | 175 | 100 | 400 |
LSZ130-83 | 130 | 83 | 55 | 146.5 | 83.5 | 387 |
LSZ135-83(I) | 135 | 83 | 57 | 184 | 100 | 440 |
LSZ135-83(II) | 135 | 83 | 75 | 184 | 110 | 440 |
LSZ135-110 | 135 | 110 | 85 | 180 | 100 | 430 |
LSZ150-65 | 150 | 65 | 85 | 157 | 73.5 | 457 |
LSZ150-65
