厂家直供插头 50PIN插头 伺服专用插头 线束插头
| 多维连接器简介 |
公司主营业务:为伺服电机厂商和用户提供多品种,全方位,高性价比的连接器和配线解决方案。合作品牌包括松下,台达,富士,三菱,安川,AB,东元,台科,西门子,科尔摩根等。 核心技术团队曾先后服务于全球知名连接器生产商,在精密连接领域有着深厚的技术积累。公司倾力打造‘多维’品牌连接器,采用一线品牌的设计指标与机械电气检测标准,使之充分胜任自动化行业对稳定性的追求。 公司长期研发经营伺服连接器系列,设备先进,管理规范,长期为国际知名品牌代工,历经严苛品质管理要求。适用于松下伺服连接器,三菱伺服连接器,富士伺服连接器等领域。 |
| 产品展示图 |


|
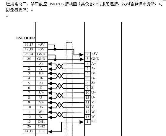
| 产品典型案例 |


|
| 物流/快递说明 |
省内发龙帮快递,含运费 省外大件的发德邦物流,含运费 |
| 联系方式 |
联系地址:广东省 深圳市宝安区龙华大浪上横朗第二工业区A栋201 联系电话:15915346016 腾讯QQ:1375872230 |
| 公司简介 |
| 深圳市华科星电气有限公司(Vacsin Electrical Co.,Ltd)是工业自动化行业一家知名的技术服务企业。公司始创于1997年,从成立伊始就专注于工业自动化行业的最顶端的控制技术应用,致力于为制造业客户提供国际先进的自动控制产品解决方案。公司成立的十余年间,我们始终坚持只做一件事,那就是成为“伺服控制、精密传动”的专家。我们结合国内制造业发展特点和趋势,将国际上数个高端自动化品牌产品引入国内市场,并与广大客户建立技术合作伙伴关系,期以能够更好的帮助客户蠃得成本战略和性能战略的竞争优势。 华科星电气秉承“客户至上,诚信为本”的经营理念,经过十多年的积累,目前与我们建立技术合作的客户已经超过千家,品牌产品、品牌服务已经越来越多得获得客户的认可。 华科星电气的口号是:成为中国最著名的“伺服控制、精密传动”的专家!现在我们正式签约的一级代理和核心经销的国际品牌已经十余家,主要包括了美国、新加坡、日本、台湾等地的一线厂家,产品涵盖了工业自动化精密控制的方方面面,欢迎更多的朋友可以和我们洽谈和合作。 华科星电气的核心价值观:客户第一,持续创新;团队合作,共同成长!
客户第一 持续创新 鼓励客户投诉、批评和建议,华科星人将努力地通过自我批评取得节节进步! 创新意识是公司不断前进的动力,持续的创新技术应用和服务理念将给客户带来更多的使用体验! 团队合作 共同成长 年轻的团队、拼搏的团队是企业的基石,也是每个合作参与者的信心源泉! 各方的合作必将带来共赢的结果! 华科星电气的客户合作优势:专注、专业、专心 1>技术优势,华科星电气拥有专业的技术应用团队,团队中50%以上均是自动化本科以上学历,拥有业内领先的应用技术优势,能成套提供客户所需的“伺服控制、精密传动”专业解决方案,也能带来客户一线的快速现场支持! 2>库存物流优势,华科星电气拥有规范化的现货仓库,所代理的核心产品均是华南地区最大的现货供应商,规范的物流管理为客户赢得大量的竞争时间! 3>比价优势,华科星电气坚持合理的低价销售策略,同样的供货条件下,保证所提供的产品和技术服务均是最有价格竞争力的!为客户赢得成本优势! 4>客户验证,十几年的发展经营为华科星电气带来了超过千家客户的成功合作,我们坚持提供最好的服务给客户,客户成功率超越业内的所有竞争对手,也陆续赢得了广大客户的尊敬!现在我们的合作伙伴客户涵盖了航空、电子、精工、汽车、包装、纺织等多行业领军企业!华科星承诺:我们永远和最亲爱的客户站在一起! |