





※:适用于口径DN250以上,DN250以下口径可提供不锈钢法兰,不锈钢外壳产品(1Cr18Ni9Ti)。




※尊敬的用户您好!本店销售的仪器仪表均为昌晖仪表厂家正品,并且提供完善的售后技术支持!由于仪表功能较多,网上报价均为基价,具体价格电议!更多产品信息请咨询在线客服人员或详电咨询福州华讯通通讯科技有限公司,联系电话:0591-87985721,由此给您带来的不便致以真诚的歉意!




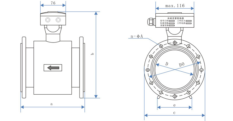
SWP-DM系列电磁流量计是采用微处理器智能化技术开发的一种高技术产品。它分为现场显示型(一体型)和远传显示型(分体型)两大类,它能测量导电液体介质,包括酸、碱、盐等强腐蚀性及液固两相流的体积流量。
本公司供应SWP-DM系列电磁流量计分体型,品牌昌晖,型号SWP-DM。参数为:类型:电磁流量计,测量范围:0.16-100000/m3/h,精度等级:0.5%,公称通径:DN10-200 DN10-2000/mm,适用介质:导电性液体(含固液二相),工作压力:0.6MPa-4.0MPa/MPa。质量保证,欢迎咨询洽谈。
昌晖正品,接受验货!
选择昌晖仪表,获得真诚服务!