更多
铁路简支梁预埋件,T型钢预埋件
1台起批
13.50
点此议价
唐山纵横联合板带有限公司
唐山市唐山市丰润区银城铺102国道与银河路交叉口东150米路南
产品属性
图文详情
品牌推荐
型号
GB
规格
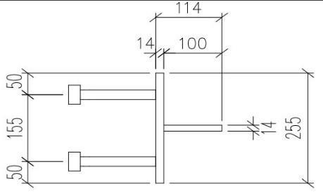
114×255×14×14
品牌
其他
材质
Q235B,Q345B
加工定制
马可波罗版权所有1999-2020