
上海斯普威尔电气有限公司系赛普电气集团全资分公司,是一家专业从事电气产品及新能源的研发、制造及营销的专业化电气有限公司。
赛普电气已引进国外资深管理与经验丰富的专业人事,以严谨的管理有创意的研发团队,先进的营销理念,在传统产品的基础上创造和发展了新的更适合的且具有良好性价等的产品。Saip产品已获得CE、ROHS、CCC、VDE、UL等国内国际认证。产品已得到机关行业的认证认可,并远销东南亚、中东、东欧及美洲等地域。
赛普现在有全球28家代理、三个直销公司。赛普已与多家国际化公司建立了良好的长期合作伙伴关系。
赛普一如既往地坚持“合作发展、共同提高”的服务宗旨,以真诚的合作态度来最大程度地满足客户的需求。
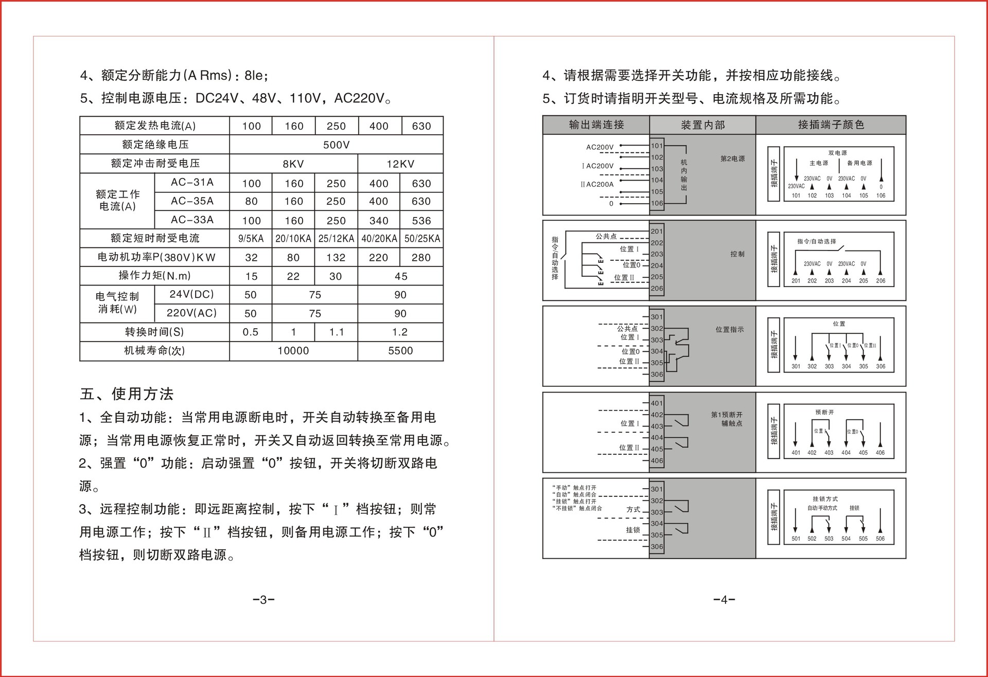
赛普电气—您成功的合作伙伴!







企业实景展示