'
简单介绍
LX-A 邵氏硬度计(LX-A 邵氏(邵尔)硬度计),是生产厂家推出的针对橡胶,塑料行业的一款经济性硬度计!适用于中低硬度塑料、皮革、各类橡胶、多元脂、蜡等硬度的测试仪器。
LX-A 邵氏硬度计的详细介绍
LX-A 邵氏硬度计装置在配套生产的同型号负荷测定架上,能在实验室内对橡胶、塑料标准试片测定其标准硬度。还可手持硬度计表头,对承装在设备上的橡胶(塑料)物件测定其表面硬度。
注:本硬度计也可对塑料试片和塑料制品进行硬度测定。但塑料试样及调节,必须按照GB/T2918—1998《塑料试样状态调节和试验的标准环境》有关规定进行。产品执行国家标准GB/T531-1999《橡胶袖珍硬度计压入硬度试验方法》,此国家标准等同于国际标准《Rubber-Determination of indentation hardness by means of pocdet har-dness meter》同时参照JJG304-2003《A型橡胶硬度计检定规程》中的有关规定。
特 点:
指针式指示,读数方便、准确、精度高
手持式设计,携带方便,可手持测量,也可安装在配套的测试架上测试
参数:
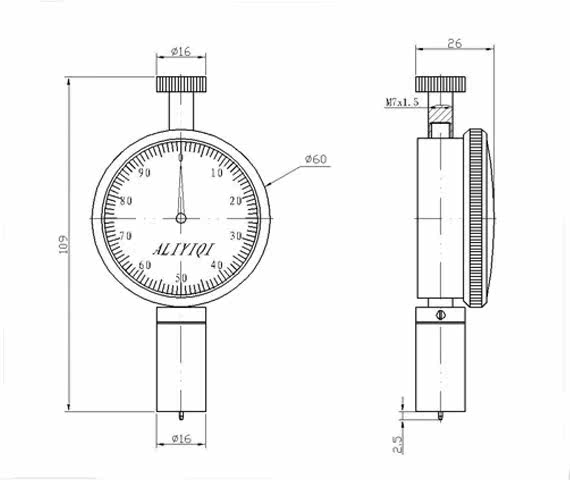
刻 度 盘 值: 0 ~ 100HA
压 针 行 程: 2.5 mm
推荐测量范围: 10 ~ 90HA
压针头部尺寸:Ф 0.79 mm
外型尺寸:115*60*25mm
重 量:~ 0.5 kg







使用方法: |
| | 把试样放置在坚固的平面上,拿住硬度计,压足中孔的压针距离试块边缘至少12mm,平稳地把压足压在试样上,不能有任何振动,并保持压足平行于试样表面,以使压针垂直地压入试样,所施加的力要刚好足以使压足和试样完全接触,除另有规定,必须在压足和试样完全按触后1秒内读数,如果是其他间隔时间读数则必须说明,在试样相距至少6mm的不同位置测量硬度值5次,取其平均值。 |
使用须知: |
| | ⑴、测定前应检查硬度计的指针在自由状态下应指向零位。如指针量偏离零位时,可以松动右上角压紧螺钉,转动表面,对准零位。然后将硬度计压在玻璃板上,压针端面与压足底面紧密接触于玻璃板上时,指针应指向100+/-0.5HA,如不指向100+/-0.5HA时,可轻微按动压针几次,如仍不指100+/-0.5HA时,则此硬度计不能使用。如在邵氏硬度计测试机架上使用时,可拨动手柄,使工作台上升至定荷砝码抬起,使压针端面与压足平面紧密接触于玻璃工作台时,指针应指向100+/-0.5HA。如不指100 +/-0.5HA时, 可调整工作台平面的调节螺钉,若调整后指针仍不指100+/-0.5HA时,最好送生产单位调整为宜。 ⑵、橡胶的试样及试验温度要求; ①、橡胶的试样厚度不小于6mm,宽度不小于15mm,长度不小于35mm,试样厚度不足6mm时,可用同样胶片重叠测定,但不超过3层。并要求胶片上下平行。 ②、检定时室温为23℃±5℃,检定前硬度计在此温度下至少存放1小时。 ⑶、塑料试样及试验温度要求; ①、塑料试样为正方形,边长50mm、厚度6mm。也允许采用50×15mm的试样。 ②、在可能的情况下,试样在测试前应按照GB/T2941-1991规定在实验室标准温度下进行调节。比对试验或系列试验必须在相同温度下进行。 ⑷、橡胶及塑料试样表面均应光滑、平整、不应有机械损伤及杂质等缺陷。 ⑸、硬度计使用35000次后,建议每使用10000次左右按GB531规定检查弹簧压力与指针刻度关系及压针端部的形状尺寸。 ⑹、硬度计使用完毕后,装入仪器盒或仪器箱内,放置干燥处,防止受潮。 ⑺、定荷测定架上的升降小轴和工作台底部,请注意经常揩擦干净,涂少量防锈油,以防生锈。 ⑻、使用邵氏硬度计时,当A型硬度计示值低于10HA时是不准确的,测量结果不能使用。A型硬度计测量值超出90HA时推荐使用D型硬度计。 
|
'