更多
CBD-F1系列齿轮泵小排量微型齿轮泵
1台起批
200.00
点此议价
上海宗申液压设备有限公司
上海市松江区中山中路556号301室
产品属性
图文详情
品牌推荐
品牌/型号
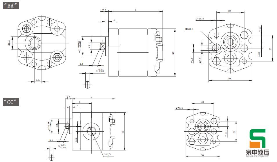
上海宗申/CBD-F1
排出压力
19根据负载决定(Mpa)
转速
600-3500r/min
规格
CBD-F12.00L1B*,CBD-F11.75L1B*,CBD-F11.50L1B*,CBD-F11.25L1B*,CBD-F11.00L1B*,CBD-F10.75L1B*,CBD-F10.50L1B*,CBD-F10.38L1B*,CBD-F10.25L1B*,CBD-F10.16L1B*
适用范围
液压机械,过滤设备,
型号
CBD-F1
品牌
上海宗申
原理
齿轮泵
材质
铝合金
性能
其他
用途
液压泵
泵轴位置
扁方轴伸
驱动方式
电动
流量
多种流量可选(m3/h)
叶轮数目
齿轮模数m=1
通用机械设备 > 泵与阀门 > >
马可波罗版权所有1999-2020