概述: RS-2011系列频率隔离变送器,能将输入的频率信号按比例转换成与输入信号隔离的标准输出信号,输入频率信号为0~50Hz~10KHz(任意选定),用户也可以自定义,最小输入频率为50Hz,最大输入为10KHz。输出信号有4~20mA、0~20mA、0~5VDC和0~10VDC等多种形式。实现输入信号、输出信号、辅助电源之间2500VDC三隔离,有效解决大地回路串扰问题。 RS-2011系列频率隔离变送器广泛应用在电力、远程监控、仪器仪表、医疗设备、工业自控等各个需要电量隔离测控的行业。 型号说明: RS-2011-**D1-0.2/xxKHz RS----产品品牌标记 2011----频率输入产品类别序号 第一个“*”----输出代码 1:4~20mA 2:0~20mA 3:0~5V 4:0~10V 第二个“*”----辅助电源代码 1:+5VDC 2:+12VDC 3:+15VDC 4:+24VDC 0.2----精度等级0.2% xxKHz----输入信号 RS-2011系列频率隔离变送器
主要技术指标: 频率输入范围:0~50~10KHz(任意选定) 频率输入幅值:100mV(Min)~ 80V(Max) 精 度----------0.2%、0.5% 辅助电源--------+5V或+12V或+15v或+24V ±10% 工作温湿度---- -10 ~ +60℃ 存储温湿度---- -45 ~ +85℃ 隔离耐压 ----- 信号输入/输出/辅助电源2.5KVDC,1分钟,漏电流 1mA 静态工作电流----<30mA(24V) 典型应用参考接线图: 
4~20mA电流输出型典型接线参考图 0~5V电压输出型典型接线参考图 型号: RS-2100-14/0~1KHz 型号:RS-2100-34/0~1KHz 4~20mA电流输出型典型接线参考图 型号: RS-2100-24/0~1KHz 
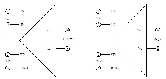
(4~20mAV或0~20mA输出接线图)
(0~5V或0~10V输出接线图) 引脚描述及外形尺寸: (1)产品引脚描述: 端子 | 1 | 2 | 3 | 4 | 5 | 6 | 7 | 8 | 9 | 10 | 11 | 12 | 描述 | 信号 输入 | 信号 输入 | 空 脚 | 空 脚 | 辅助 电源 | 辅助 电源 | 空 脚 | 空 脚 | 电流 输出 | 电流 输出 | 电压 输出 | 电压 输出 | 符号 | Fin+ | GND | NC | NC | VD | GND | NC | NC | Io- | Io+ | Vo- | Vo+ |
(2)产品外形图: 
注意事项: 1、使用前根据装箱单,以及产品标签,仔细核对和确认产品数量、型号和规格。 2、使用时必须按所选产品型号对应的接线参考图,正确连接信号输入、输出和电源线,检查无误后再接通电源和信号。 3、当用表笔直接测量信号时,请将端子旋紧。 4、使用环境应无导电尘埃和破坏绝缘、金属的腐蚀性气体存在。 5、集中安装时,安装间距≥10mm。 6、产品出厂时已调校好,请勿随意调校。确需现场调校时,请与我公司联系。 7、产品为一体化结构,不可拆卸,同时应避免碰撞和跌落。请勿涂改和撕下产品上的任何标贴。 8、产品内部未设置防雷击电路,当产品的输入、输出馈线暴露于室外恶劣气候环境之中时,请注意采取防雷措施。 |