更多
供应机器人专用 复位开关
1000台起批
1.85
点此议价
东莞市博益电子有限公司
东莞市大朗镇大井头第一工业区A栋
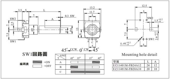
产品属性
图文详情
品牌推荐
品牌/型号
BY/RS113101M
加工定制
品牌
BY
型号
RS113101M
种类
带开关
用途
专用
材料
合成膜
性能
小型
阻值调节方式
旋转式
阻值变化方式
X式(直线式)
额定功率
0.025(W)W
阻值允许偏差
±20(%)
滑动噪声
47(V)
分辨率
50(%)
零位电阻
30(Ω)
接触电阻
20(Ω)
绝缘电阻
100(MΩ)
符合度
100
电子元器件 > 电阻器与电位器 > 电位器/变阻器 >
马可波罗版权所有1999-2020