3528光源具有高光效、低光衰、高一致性和性价比的优点,广泛应用于普通照明、城市亮化、汽车照明等领域
一、3528LED灯珠产品特点:
- 支架镀银,反射面不发黑,亮度均匀
- 低光衰:3000小时平均光衰<2%
- 一致性:亮度、波长、角度离散性小,一致性好
- 驱动电流20mA
- 可通过回流焊接工艺,适合自动贴片工艺
- 色温齐全,2800-20000K内可定制颜色
二、3528贴片LED详细参数如下:
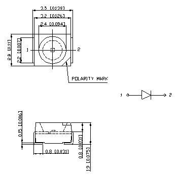
外形尺寸结构:3.5x2.8x1.9mm SMD LED
正向电压:2.8-3.6V
正向电流:30mA
正向峰值电流:100mA
色温:2800-3200K(暖白),4000-4500K(自然白),5500-6500(正白) 以及冷白
光通量:7-8流明(IF=20mA)
发光角度:120
