无线数据遥控监测传输收发模块dw-mc01用于远程采集无线开关量控制器的输入输出状态、无线模拟量采集器的输入状态、无线模拟量控制器的输出状态,远程控制无线开关量控制器的输出状态、无线模拟量控制器的输出状态,配合上位机监控软件,实现高性能低成本的无线监控系统。
DW-MC00/01 内置高度集成半双工微功率无线模块,其嵌入高速单片机,并采用最新高
性能射频芯片,最大发射功率500mw,可视环境下通信距离可达2700M 以上(9.6Kbps)。
可监控的无线开关量设备的型号有:DW-J00/01八进八出无线开关量控制器、DW-J10/11
十六进无线开关量控制器、DW-J20/21十六出无线开关量控制器。
支持冲突检测CSMA/CA、及重传机制,确保复杂环境下无线传输的可靠性。
在线参数设置功能。通过Uart口可以设置工作频点、空中速率、发射功率、、串口速率
和格式等。
支持RS232、RS485、USB、TTL接口,用户可任意选择其中一种。
无线输出功率根据距离的远近可选择最大500mw或是100mw。
DW-MC00/01采用铝合金外壳,美观大气。

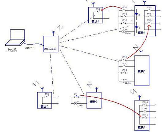
应用:

监测遥控远端的无线模块状态

通过该监测界面,可以查询远程开关量控制器的输入输出状态,也可以远程控制开关量
控制器的输出状态。远程监控可以与远程模块的本地控制并存,也就是说远程模块可以接受
多重控制。
备注:rfset的监测功能只是用于演示,目的是帮助客户快速的体验本系统。客户可根
据自己的需要设计更加符合自己项目监控软件。相关的接口协议请参考“远程监测控制协议”部
分的描述。
无线监控检测485模块技术指标:
工作频段 433MHz、470MHz、868MHz、915MHz(可定制其它频段)
调制方式 GFSK
发射功率 100mw(DW-MC00)/500mw(DW-MC01)
接收灵敏度 -118dBm/1200bps
空中速率 1.2K、2.4K、4.8K、9.6K(缺省值)、20K、40K、100Kbps
Uart接口速率 1.2K、2.4K、4.8K、9.6K(缺省值)、19.2K、38.4K、57.6Kbps
工作电流 发射 120mA(DW-MC00)/420mA(DW-MC01),接收30mA。(不含输出)
电源 DC 12V
工作湿度 10%~90%(无冷凝)
工作温度 -25℃ - 80℃
串口格式:支持8N1,8O1,8E1通过参数设置软件可以任选
规格尺寸:

无线遥控遥测模块 无线监控器 无线485数据传输