更多
乐清市阀门厂 CB682-78铜制海水滤器
10台起批
¥
5000.00
点此议价
乐清市阀门厂
浙江省乐清市黄华镇台商工业区柳黄路18号
全部商品
查看联系方式
产品属性
图文详情
品牌推荐
品牌/型号
乐/CB682-78
品牌
乐
型号
CB682-78
原理
栅格对滤
用途
海水过滤
样式
直通直角
性能
普通过滤
适用对象
海水
适用对象性质
弱腐蚀性
滤料类型
铜丝网
过滤器类型
篮式
主体材质
T4
适用范围
水处理
有效过滤面积
面积比5(m2)
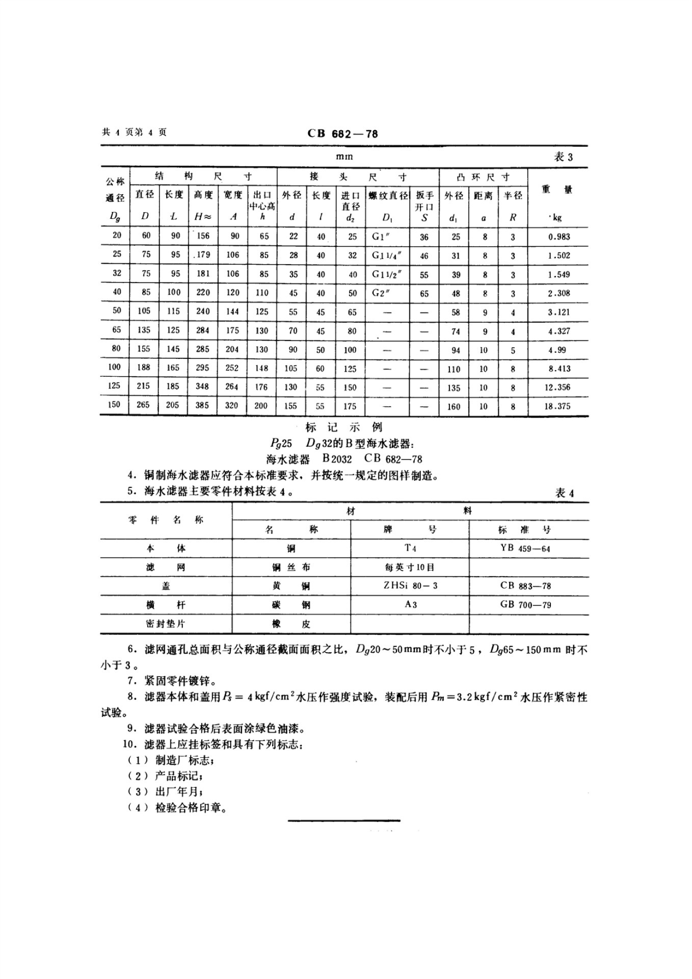
外形尺寸
见表(mm)
设备重量
1-20(Kg)
规格
20-150
'
钢制海水滤器设计标准
'
乐清市阀门厂 CB682-78铜制海水滤器
¥5000.00元
乐清市阀门厂船用 压力式温度控制器YTZK-50厂家自销
¥5000.00元
乐清市阀门厂小轮传动装置元件操纵头配万向接头 厂家自销
¥5000.00元
乐清市阀门厂船电动蝶阀 D943H-16C D941X-10
¥5000.00元
乐清市阀门厂船用气动蝶阀 GB/T3036-94 GB/T30
¥5000.00元
乐清市阀门厂 D671X气动蝶阀 D671X气动蝶阀销售商
¥10000.00元
通用机械设备
>
过滤、分离、筛分设备
>
过滤器
>
液体过滤器
>
获取验证码
允许同品行业优质供应商联系我
您对此产品的咨询信息已成功发送给相应的供应商,请注意接听供应商电话。
对不起,您对此产品的咨询信息发送失败,请稍后重新发起咨询。
关闭
登录
|
注册
首页
|
我的马可
触屏版
电脑端
马可波罗版权所有1999-2020