'
本店是“欣德利”品牌旋转接头专卖店为官方授权店,质优价廉。
批量订购可申请批发价格。
需购产品可以联系龙生:13751181276
QQ:2294159673
官方网站:www.rjint.com
“欣德利”公司高端旋转接头产品采用德国技术设计,采用全进口密封件进行动态密封,有效解决国内产品扭力大的问题!
2通路旋转接头(型号:DT-F-2PG)产品简介:
2通道旋转接头一般用来连接供应和返回线旋转设备。标准模型是适用于液压和气动服务。
螺纹型号:M5 G1/8 G1/4 G3/8 G1/2 G3/4 (客户自定义)
产品与国内产品的区别:
1:结构上已经脱离国内旋转接头厂家连体的设计,采用了德国的密封技术设计。
2:从旋转接头的扭力上以及脱离国内旋转接头难扭动的现象。
3:内部密封技术脱离国内的机械式密封,采用了动态密封进行动态零泄漏密封。
4:脱离国内旋转接头粗糙式加工,脱离用模具制造旋转接头外壳。
5:从密封件,以及设计结构,外观的美观已经远远超过国内同行业产品
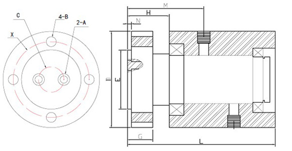
2通路旋转接头图纸:

| A | B | C | X | D | E | N | G | H | M | L |
| M5 | M6 | 14 | 31 | 50 | 29 | 2 | 10 | 20 | 39 | 60 |
| G1/8 | M6 | 22 | 45 | 66 | 32 | 2 | 10 | 20 | 42 | 85 |
| G1/4 | M6 | 28 | 66 | 75 | 46 | 2 | 10 | 20 | 46 | 100 |
| G3/8 | M6 | 28 | 72 | 90 | 50 | 2 | 10 | 20 | 50 | 115 |
| G1/2 | M8 | 32 | 86 | 95 | 60 | 2 | 10 | 20 | 53 | 125 |
标准产品工作参数
最高转速400rpm
最高温度 220° C
最大压力 100kg
定制旋转接头工作参数
最高转速:10000rpm
最大压力:500kg
最高温度:480°C
可根据客户要求设计相应路数的导电滑环

旋转接头安装示意图

旋转接头工作原理示意图

'