更多
供应30W路灯透镜 内置式模组路灯 迷你小路灯
1台起批
10.00
点此议价
佛山市南海区创铭铝制品有限公司
佛山市南海区大沥沥西仁厚新村28号
产品属性
图文详情
品牌推荐
品牌/型号
CM/LD05
加工定制
型号
LD05
材质
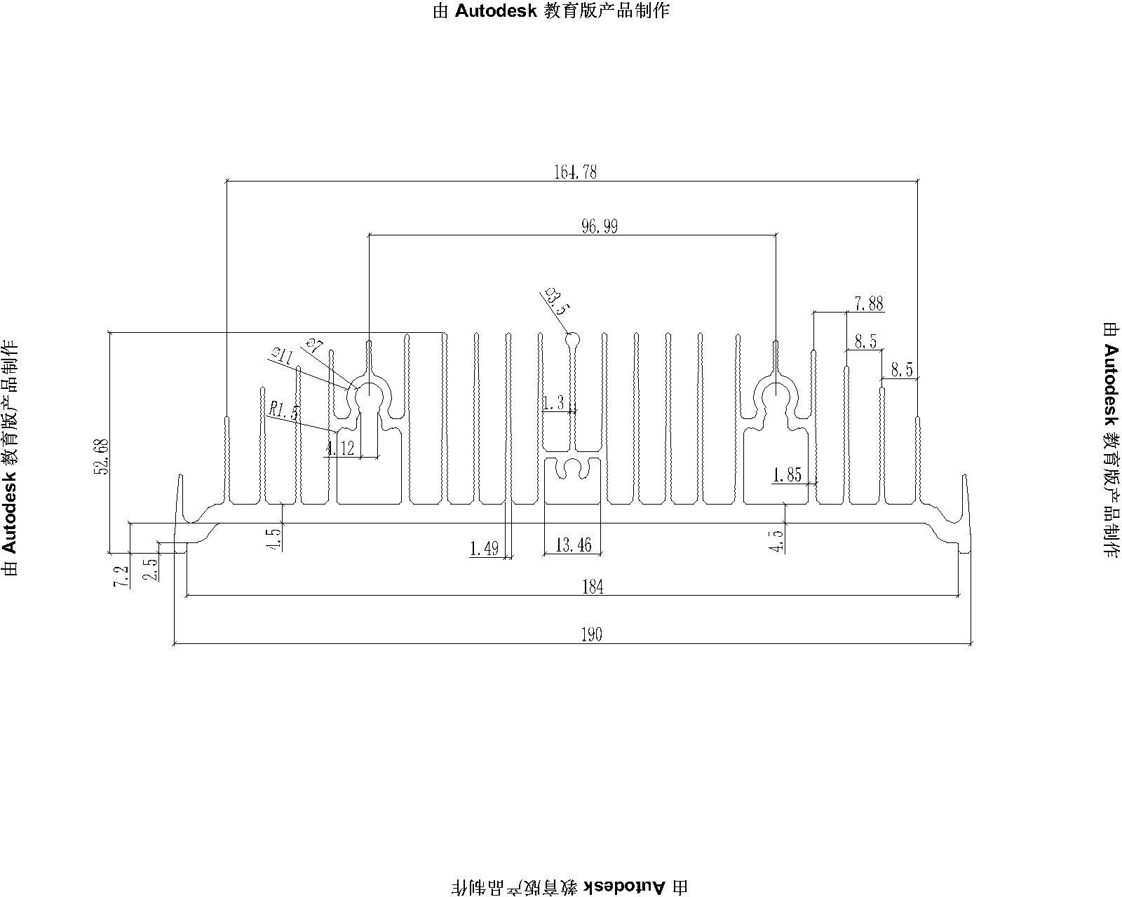
外形尺寸
191*53(mm)mm
适用范围
广场,公园,厂矿等
装箱数
66
品牌
CM
仪器仪表 > 光学仪器 > 已装配光学元件/零配件 > 棱镜、透镜 >
马可波罗版权所有1999-2020