产品展示



公司介绍
深圳启嘉电子有限公司是一家专注于语音产品研发的高新技术企业,是语音电子行业的佼佼者。专业从事语音产品开发、设计、生产与销售。研发团队具有扎实的语音芯片研发能力和先进的技术力量,配备一流的研发和检测设备。 启嘉的经营理念:为客户提供完整的供应保证系统及深具行业水准的市场化产品,以体现、创造、赢得价值。具体表现为:从完整的售前售中售后的技术支持到整个供应链环节的整体保障,从个体化零散式的技术服务到完整配套技术设计方案到系列设计指导,每一个环节,我们都体现以客户需求为本的、切实为客户解决实际问题的服务精神,引导客户走向更可靠更稳定的产品质量之路,帮助客户成功以此来促成公司的发展;以深具行业引导性的超值先进产品并使其能被普遍运用以推动这个行业的快速进步,从这二方面来体现创造赢得我们的价值。
本公司致力于专业服务的技术水准和强大的技术实力、勤奋敬业、一心为客户的奋斗精神、诚实有信的商业原则、来赢得客户及社会的支持及信任。不断向客户推广新、优、廉的产品,并让客户行之有效的普遍意义应用;不断追求技术上的完善与进步,以推进行业的不断发展,打造语音业界强大的领导品牌是启嘉全体同仁的终身奋斗目标。
目前主要从事各种高品质MP3语音芯片(IC)、小巧优美的语音模块、宽电压大功率语音播放板、远距离语音提示器、高品质MP3录音/播放方案开发、微波/人体/高灵敏度光感应提示器、公交车报站器研发。 目前产品被广泛用于家电、防盗、通信、汽车电子、安防、智能家居防盗、工业产品、医疗、美容器材及节日贺卡、智能玩具,产品畅销于国内外,并获得广大用户的一致好评(质优、价廉,供货快、售后服务好)。并于2014年成为啊里巴巴“双百万计划”的重点培养企业,启嘉全体员工感谢新老客户的惠顾和支持,欢迎来人来电洽谈业务。
启嘉电子的研发宗旨:
◆提供全系列的语音解决方案,全方位为客户服务
◆研究最优性价比最具观赏性的标准模块化产品
◆研究开发适合大规模应用的语音开发平台
产品特点
Ø 支持WAV、WMA、MP3高品质音频格式播放,声音优美。
Ø 使用SPI-FLASH、TF卡和U盘作为存储器,最大支持32G TF卡和32G U盘。
Ø 支持同一个存储器中组合播放
Ø 支持不同存储器之间的插播。
Ø PC机可通过USB接口自由更换TF内的音频内容。
Ø 通过 TF卡或者U盘把音频文件拷贝到SPI-FLASH中,实现离线更换音频内容。
Ø 支持USB声卡功能。
Ø 使用UART异步串口通讯,通用标准接口协议,控制更灵活方便。
Ø 内置1W功放,直接驱动8欧姆/1W喇叭,声音洪亮,32级可调音量。
Ø DC 5V供电。
技术规格
名称 | 功能 |
支持音频格式 | 支持采样率8~48KHz,比特率8~320Kbps的MP3音频文件。 支持采样率8~44.1KHz的WAV音频文件。(U盘最高支持22KHz采样率) 支持采样率8~44.1KHz的WMA音频文件。(FLASH不支持该音频格式) |
支持存储器容量 | 支持4Mbit~128Mbit SPI-FLASH 最大支持32GB TF卡 最大支持32GB U盘 |
USB接口 | 全速2.0 |
供电电压 | DC3.3~5V |
额定电流 | 20~250mA(和负载有关) |
IO端口电平 | 3.3V TTL电平。 |
尺寸 | 21.3mm*37.2mm |
工作温度 | -40~85度 |
湿度 | 5%~95% |
管脚图

管脚说明:
管脚号 | 管脚名称 | 类型 | 功能描述 |
1 | DACR | IO | DAC右声道输出 |
2 | GND | PWP | 与TF卡座连接的GND |
3 | DACL | IO | DAC左声道输出 |
4 | AUX_L | IO | AUX录音音频信号左声道输入端(暂时未使用) |
5 | AUX_R | IO | AUX录音音频信号右声道输入端(暂时未使用) |
6 | GND | O | 与TF卡座连接的GND |
7 | FS_CTRL | I | FLASH控制引脚(外部下载器对FLASH进行下载时需要对该引脚进行控制) |
8 | SP+ | AO | 喇叭接线端 |
9 | SP- | AO | 喇叭接线端 |
10 | MIC/LINE IN | AI | 麦克风接线端(暂时未使用) |
11 | FS_DI | I | SPI-FLASH的SPI接口数据输入端 |
12 | FS_DO | O | SPI-FLASH的SPI接口数据输出端 |
13 | FS_CLK | I | SPI-FLASH的SPI接口时钟信号输入端 |
14 | GND | PWP | 电源地 |
15 | FS_CS | I/O | SPI-FLASH的片选端 |
16 | TXD | O | UART异步串口数据输出端 |
17 | RXD | I | UART异步串口数据输入端 |
18 | IRDA | I | 红外信号输入端(暂时未使用) |
19 | ADC_KEY | I | ADC按键连接端 |
20 | VDD33 | PWP | LDO 3.3V电源输出端。 |
21 | BUSY | I/O | 忙信号 |
22 | VDD | PWP | 模块电源端 |
23 | GND | PWP | 与TF卡座连接的GND |
24 | P12 | IO | P12端口(暂时未使用) |
25 | DM | IO | USB数据端DM |
26 | DP | IO | USB数据端DP |
27 | GND | PWP | 与TF卡座连接的GND |
28 | P13 | IO | P13端口 |
注意:
1) 第2、6、23、27脚是与TF卡连接的GND,在应用时,悬空即可。只需要连接第14脚的功率地。
2) 电源输出端VDD33切勿给外部设备供电,以免影响模块工作。仅供连接上拉电阻等低功耗器件。
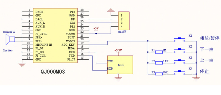
按键控制 按键名称 | K1 | K2 | K3 | K4 |
功能 | 播放/暂停 | 下一曲 | 上一曲 | 停止 |
应用电路图 1.1. 5.1 QJ000M03直接驱动喇叭的应用电路 
注意:QJ000M03的IO端口是3.3V电平,因此直接与3.3V单片机直接连接。与5V单片机连接需要增加电平转换电路。
1.2. 5.2 QJ000M03外接功放应用电路 
注意:
1. QJ000M03的IO端口是3.3V电平,因此直接与3.3V单片机直接连接。与5V单片机连接需要增加电平转换电路。
2. 耦合电容C1和C2取值范围一般为0.1uF~10uF。