特变电工厂家直销Φ50、Φ80变压器叉蝶阀,如有需要,请联系我们!
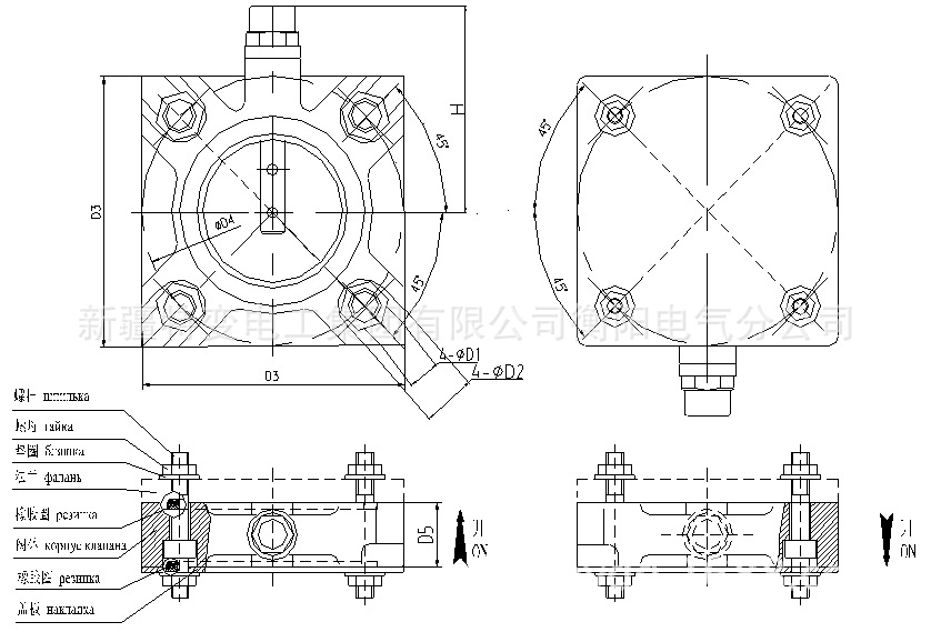
1、概述:本产品可供油浸变压器真空注油及运行和检修时,开启或关闭变压器油路。
2、产品简介
2.1 型号说明:
HYF:变压器碟阀
2.2 工作温度: -40℃~+120℃
2.3 密封压力: 0.5Mpa
2.4 转动力矩(见下图)
2.5 特点:阀片密封圈偏离转轴中心,具有密封性能好,转动力矩小等优点。
3、使用须知
3.1 通常安装在油浸式变压器与冷却器、散热器及储油柜和通油管路的法兰连接部位。
3.2 蝶阀关闭方向,按转轴端部刻线,开启方向按使用说明书上所打印箭头、方向。
3.3 蝶阀上所有密封圈均为特种橡胶制造,如有损坏需要更换,请与我公司联系。
4、叉蝶阀安装开关使用说明
4.1 叉蝶阀在安装时,安装四个螺杆且必须同时均匀紧固两端面的橡胶,按照国际橡胶加压,压缩比不超过30%压力。否则造成橡胶容易破损及影响产品使用质量。
4.2 叉蝶阀压盖部位朝上时,蝶阀朝前方(如下图)开启;叉蝶阀压盖部位朝下时,蝶阀朝内(如下图)开启。
4.3 叉蝶阀在安装紧固螺杆及开关使用时,严禁违反使用说明书的进行错误操作。
φ50叉蝶阀

φ80叉蝶阀

型号 Типовые | D1 | D2 | D3 | D4 | D5 | D6 | D7 | H |
φ50 | 14 | -- | 120 | 100 | 32 | 93 | 68.4 | 96 |
φ80 | 22 | 34 | 150 | 150 | 32 | -- | -- | 114 |



