'
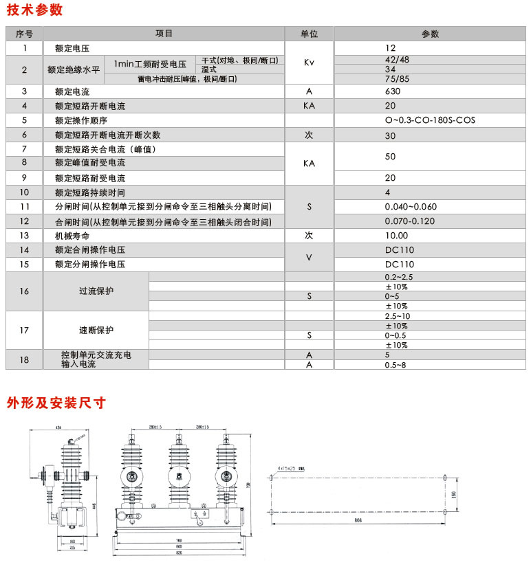
概述 ZW32-12(G)/M630-20型户外高压永磁智能型(看门狗)真空断路器(以下简称永磁开关)是三相交流501"1z、额定电压12kV的户外高压 开关设备。永磁开关主要用作变电站。10kV出线开关及10kV级三相交流电力系统中作为分、合负荷电流,开断过载电流及短路电流的 线路 保护开关。 断路器符合GB1984-2003《高压交流断路器》、DL/T402-2007《高压交流断路器订货技术条件》和DL/T403—2000《12kV~40.5 高压真空断路器订货技术条件》等枝术标准。 结构特点 1、永磁开关由真空开关本体,单稳定永磁操动机构和智能控制器三 部分构成,因而具有广泛的配合范围和灵活方便的动作程序整定 方式,具有很高的工作可靠性和安全性,是具有控制和保护功能 的新型“机电一体化”智能高压开关设备。 2、断路器符合GBl984-2003《高压交流断路器》、DL/T402-2007 《高压交流断路器订货技术条件》和DL/T403-2000《12kV~40 5kV 高压真空断路器订货技术条件》等技术标准。 |

使用环境
1、周围空气温度:上限+4-40~C,下限-40~C
2、海拔:不超过3000mm
3、风压:不超过700Pa(相当于风速34m/s)
4、空气污秽程度:不超过IV级
5、覆冰厚度:不超过10mm
6、没有火灾,爆炸危险,化学腐蚀及剧烈振动的场所

'