'
欢迎咨询选购QQ: 401998690刘经理,联系电话:13922179085
温馨提示:公司备有小批量并网逆变器库存,购买前请确认!
该系列并网逆变器广泛用于国内外家庭光伏系统,具有TUV,VDE,SAA、CQC金太阳等证书,出口到意大利、法国、澳大利亚、新西兰、马来西亚等国。如有需要,我公司可协助办理出口事宜。
该系列并网逆变器具有很宽的输入电压,这使之适合与几乎所有类型的标准晶体硅光伏组件连接使用,并能为用户的系统设计提供更大的灵活性。外形小巧轻便,内部结构紧凑,使用操作简单。一流的效率及先进的无风扇散热理念,保证了系统的高发电量和长期稳定运作。使用该型逆变器,太阳能将被最大程度地转换成可利用的电能,它是并网光伏系统的理想选择。


高可靠性
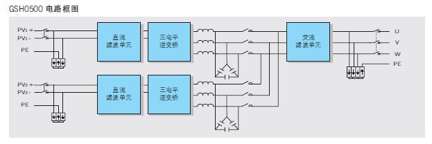
工频集成总体方案
大容量的器件选型
完善的散热设计及防护设计
丰富的保护设计
冗余备份设计
高效率
高效的MPPT算法
极低夜间损耗
智能风扇控制系统
电网管理
零电压穿越
有功功率全范围(0-100%)连续可调
支持SVG功能,实现电站夜间无功补偿
功率因数超前0.9-滞后0.9连续可调
规格参数
|
型号 |
GSL0050 |
GSL0100 |
GSL0250 |
GSL0500 |
GSL0630 |
GSH0500 |
|
直流输入参数 |
|
额定输入功率 |
55KW |
110KW |
275KW |
550KW |
690KW |
550KW |
|
最大直流输入电压 |
1000Vdc |
|
MPPT追踪电压范围 |
450~850Vdc |
|
MPPT追踪路数 |
1 |
|
最大输入电流 |
120A |
240A |
600A |
1200A |
1440A |
1200A |
|
交流输出参数 |
|
额定输出功率 |
50KW |
100KW |
250KW |
500KW |
630KW |
500KW |
|
额定输出电压 |
270Vac |
270Vac |
270Vac |
270或315Vac |
315Vac |
315Vac |
|
输出电压范围 |
额定电压×(1±15%)(可设置±5%,±10%,±15%,±20%) |
|
工作频率范围 |
50/60Hz(±4.5Hz)(可设置) |
|
额定输出电流 |
107A |
214A |
535A |
1070或916A |
1155A |
916A |
|
最大输出电流 |
118A |
234A |
588A |
1176或1007A |
1212A |
1007A |
|
功率因数(COSФ) |
0.9超前~0.9滞后 |
|
总电流谐波畸变率(THDi) |
<3% |
|
特性参数 |
|
最高效率 |
98.1% |
98.3% |
98.5% |
98.7% |
98.7% |
98.7% |
|
欧洲效率 |
97.8% |
98% |
98.2% |
98.4% |
98.4% |
98.5% |
|
MPPT效率 |
99% |
|
夜间待机模式功耗 |
<10W |
|
冷却方式 |
强制风冷 |
|
直流(DC)开关 |
可选配 |
|
通讯接口 |
RS485标准配置,(可选配) |
|
环境参数 |
|
工作温度 |
-40℃~+60℃(55℃以上降额运行) |
|
相对湿度 |
0~95%(不凝露) |
|
海拔高度 |
3000m(海拔高于3000m按照GB/T3859.2规定降额使用) |
|
噪音 |
<58dB |
<60dB |
|
防护等级 |
IP20 |
IP21 |
|
物理参数 |
|
机器尺寸W×D×H(mm) |
600×935×1600 |
835×935×1850 |
1200×935×2200 |
1600×935×2200 |
1600×935×2200 |
1200×1000×2200 |
|
包装重量(Kg) |
310 |
470 |
815 |
1350 |
1370 |
1000 |
|
符合标准 |
|
金太阳标准 |
CNCA/CTS0004-2009A,CNCA/CTS0006-2010 |
|
CE标准 |
IEC62109-1,IEC62109-2 |
|
TUV标准 |
IEC62109-1,IEC62109-2,IEC/EN61000-6-2,IEC/EN61000-6-4,etc |
|
EMC |
EN61000-6-2,EN61000-6-3,EN61000-3-11,EN61000-3-12,etc |
|
并网 |
GB/T19964-2012,ZVRT,LVRT,电网适应性(HVRT,频率响应) |
'