![)4ACKE4_56%_0Z_`2N41~]9](http://cbu01.alicdn.com/img/ibank/2014/151/698/1417896151_412136759.jpg)
电话:0523-83217808(小沫)
企鹅:2351761784(小沫)
微信:s268862s(小沫)
产品展示

列管式换热器是目前化工及环保,电力上应用最广的一种换热器。它主要由壳体、管板、换热管、封头、折流挡板等组成。所需材质 ,可分别采用普通碳钢、紫铜、或不锈钢制作。在进行换热时,一种流体由封头的连结管处进入,在管流动,从封头另一端的出口管流出,这称之管程;另-种流体由壳体的接管进入,从壳体上的另一接管处流出,这称为壳程
产品描述
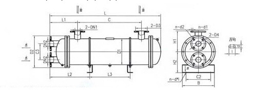
一、GLL冷却器型号说明:

二、设备外形尺寸:

三、尺寸表

企业介绍
江苏恒力达机械有限公司始建于2009年,注册资本5008万元人民币,占地面积18000平方米,位于江苏省中部,地处闻名华夏的鱼米之乡--兴化;交通便利,民风淳朴,以郑板桥等文人墨客享誉世界,如今正以工农业齐发展,经济迈大步的姿态在腾飞。本公司是江苏省民营科技企业、国家太阳能光热产业技术创新战略联盟、中国液压气动密封件工业协会会员单位、中国城镇供热协会团体会员,是由一支多年从事换热设备研究、设计、制造、经营、管理的专业团队组成,集设计、制造、销售、服务于一体的生产企业。
江苏恒力达机械有限公司在换热器行业拥有几十年的生产、设计经验,主导产品有一、二类压力容器、烟气换热器、板式换热器、换热机组、管壳式换热器、空气冷却器等各种规格型号的换热设备共计四百多个规格型号。产品现已广泛应用于电力、供暖、化工、机械、冶金、船舶、医药、食品等工业及民用领域。具有一整套的设计、研制、生产、销售团队。在立足于成熟产品的同时不断研究效率更高、耗能更少、使用更方便的产品。
公司拥有一流的生产以及加工设备,齐全的工种生产员工及管理销售队伍,销售网络遍布国内外。优秀的产品和优质的售后服务不仅是恒力达之所以健康高速发展的主因,更是千万客户使用恒力达信心十足的保证。我们始终追求——开拓创新、领导潮流、品质保证、顾客满意。在生产实践中不断地完善自我,以卓越的品质、先进的技术及优质的服务得到了国内外广大客户的认可。
我公司热忱欢迎海内外朋友莅临指导,合作兴业,携手共创美好未来!
资质荣誉
