锐显viewsharp产品可选配触摸屏,并提供51及STM32例程,让买家可以更方便快捷地使用上产品。
本站是肇庆市锐显电子科技有限公司的官方网上商城,质量保证,供货稳定,每个产品都经过严格的全检才出厂,请买家首先直接使用我们的例程测试或移植程序,如有使用方面的问题,我们会提供完善的技术支持,线上线下客户同等重视,请广大工程师们放心采购。技术热线17507586671
锐显viewsharp新推出上位机软件,实现“零”代码操作,不再为模块的寄存器,指令等花费时间了,极大提高界面开发速度。

产品图片:

---------------------------------------------------------------------------------------------------------------------技术热线17507586671
---------------------------------------------------------------------------------------------------------------------技术热线17507586671

---------------------------------------------------------------------------------------------------------------------技术热线17507586671

---------------------------------------------------------------------------------------------------------------------技术热线17507586671
| 类型 |
参数 |
单位 |
| 储存温度 |
-30-85 |
℃ |
| 工作温度 |
-20-70 |
℃ |
| 工作电流 |
20to350(TYP300) |
MA |
| 工作电压 |
3.3/5 |
V |
| 色彩 |
6万5色 |
|
| 视角范围 |
12/6 |
|
| 模块尺寸 |
93*70 |
MM |
| 视域尺寸 |
72*54.4 |
MM |
| 分辨率 |
320*240 |
DOTS |
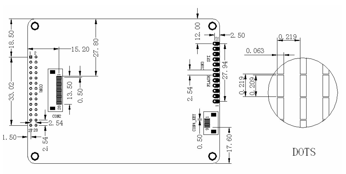
---------------------------------------------------------------------------------------------------------------------技术热线17507586671
本产品与其他同类产品主要区别及卖点
1:支持SPI/8BIT/16BIT/FSMC全能接口,使用灵活。
2:集成硬件2D加速,无论用何种单片机,都能极速显示GUI(三角形、四边形、填充、卷动等功能)
3:集成图片存储及调用功能。51单片机也能50ms刷全屏图片。
*特别注意*
M系列液晶存储图片到FLASH,需要用M系列下载板,通过现摘板将图片下载到彩屏,单片机再调用,实现极速显示全屏及区域图片。
下载板连接如下:
http://...................................................................
VS32240M35 是一款文字与绘图模式的液晶显示模块,可结合文字或 2D 图形应用。其特有的 BTE 功能,能让用户轻松完成各类图形文字处理功能,提高 MCU 软件执行效率。并且该模块能支持 8-bit 或 16-bit 数据总线,类似单色屏的操作模式能让用户轻松升级产品显示界面。
●支持 65K 色的 480*272 单图层显示
●最高支持 2x16M 的 FLASH 存储,可快速存储调用图片。
●支持 MCU 界面:8-bit 或 16-bit 数据总线的 8080/6800 系列,支持 SPI 串口
●支持水平和垂直区域卷动
●支持 2D 的 BTE 引擎,可用于处理大量图形数据转换
●支持 PWM 背光亮度控制
●支持几何图形加速绘图引擎
●支持文字和绘图两种混和显示模式
●技术支持17507586671
买家需知:
本公司为厂家直销,利润微薄,恕不议价或包邮请买家见谅 在您购买本产品之前,做如下承诺:
一:本店所有产品为真实产品所拍,若不符,愿承担来返运费
二:为客户提供的资料《产品说明书》+《程序代码》并且提供技术支持。
三:正规厂家直销,每片产品都是严格检测后出货,请放心购买
四:正规厂家,不必担心货源问题,本店长期备有大量库存成品或材料。
五:本店所有产品保修一年,终身维护,属人为损坏收取相关费用。
六:买家收到产品后,请检测包装,若货物与清单不符或明显的损坏,请拒绝收货,并且及时与我取得联系,一旦签收,则认同产品的外观和数量OK。
七:买家在拍下产品后我会提供资料,若买家收到产品后还没有资料,请不要测试,请及时与我取得联系,以免造成不必要的损失。
邮费说明:
本店默认发申通快递。如申通不能到达买家所在地,本店将按照买家的需求选择快递公司。运费根据不同地区价格不同,请拍之前的店主取得联系。
票据说明:
本店默认情况下,在出货时只放《发货单》一张,除此外不放任何收据与发票(普票/增值税发票),如果客户需开收据与发票,请拍产品之前与店主沟通,本店为公司性质可根据客户需要提供普通发票或增值税发票(开具增值税票金额一次性需要在2000元以上,税金为12%,普通发票税金为5%)
联系方式:
叶经理:17507586671
TEL:0758-6186437
QQ:468152630
地址:广东省肇庆市端州区建设三路45号