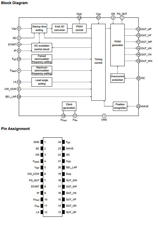
TOSHIBA CMOS Integrated Circuit Silicon Monolithic TB6575FNG
PWM Sensorless Controller for 3-Phase Full-Wave BLDC Motors
Features
• 3-phase full-wave sensorless drive
• PWM chopper drive
• PWM duty cycle control by analog input
• 20-mA current sink capability on PWM output pins
• Overcurrent protection
• Forward/reverse rotation
• Lead angle control (7.5° and 15°)
• Overlap commutation
• Rotation speed sensing signal
• DC excitation mode to improve startup characteristic
• DC excitation time and forced commutation time for startup operation can be changed.

北京芯时代电子科技发展有限公司(东芝官方授权,常备现货,价格优惠)
联系人:王女士
联系电话:13693391815
联系QQ:3239362498